Редуктор 1Ц3Н 450

Сейчас такие устройства, как редуктор 1Ц3Н 450 стал довольно востребованным. Данный практичный и надежный редуктор используется для передачи общего вращательного движения, с изменением текущих скоростных характеристик и крутящего конечного момента. По сути общий принцип работы редуктора 1Ц3Н 450 можно вполне сравнить с неким бесконечным рычагом, который дает возможность получать требуемый прирост силы, при этом обеспечивая его поддержание все необходимое время. Подобный тип редукторов достаточно широко применяется в современном машиностроении и разных отраслях промышленности.
Чертежи
Технические характеристики

Чертежи

Габаритные и присоединительные

размеры




Присоединительные размеры концов выходных валов

Присоединительные размеры тихоходного вала для присоединения командоаппарата

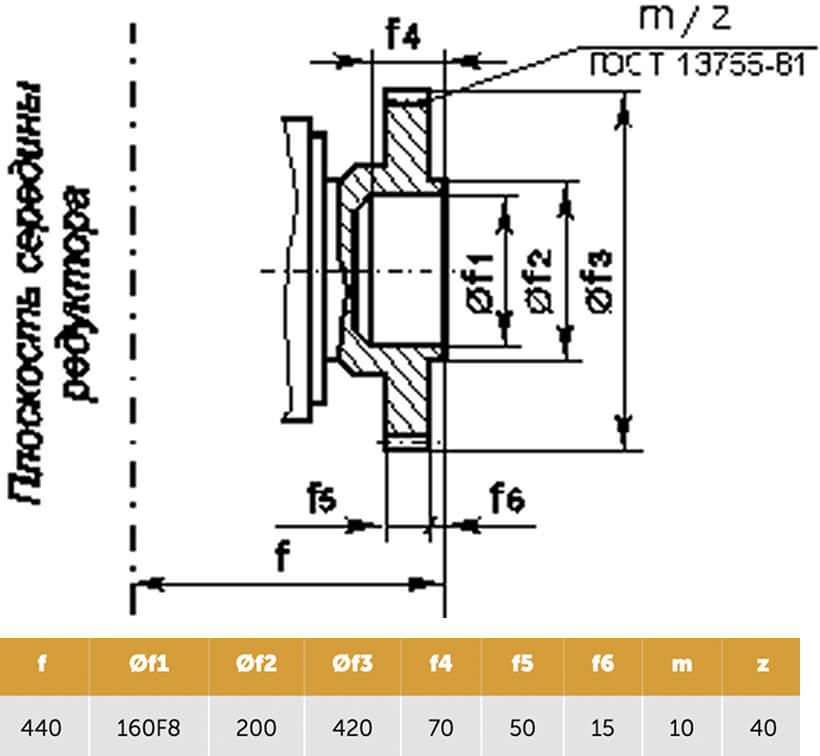
Присоединительные размеры тихоходного вала в виде части зубчатой муфты

Технические характеристики

Технические характеристики