Редуктор ВК 550

Современная техника постоянно развивается. Ведь все в природе растет. Только рост и стремление способны на многое. Поэтому и редукторы постоянно усовершенствуются и принимают иной вид. Одним из таковых является Редуктор ВК 550. Он надежный, качественный и имеет все качества, чтобы быть надежным. Он используется практически во всей специальной техники, а также работает только с высокими мощностями. Способ применения, к примеру, это обычные подъемные эскалаторы. Ведь Редуктор ВК 550 выдерживает большие грузы и при этом способен работать долгое время, поэтому его приобретение просто необходимо.
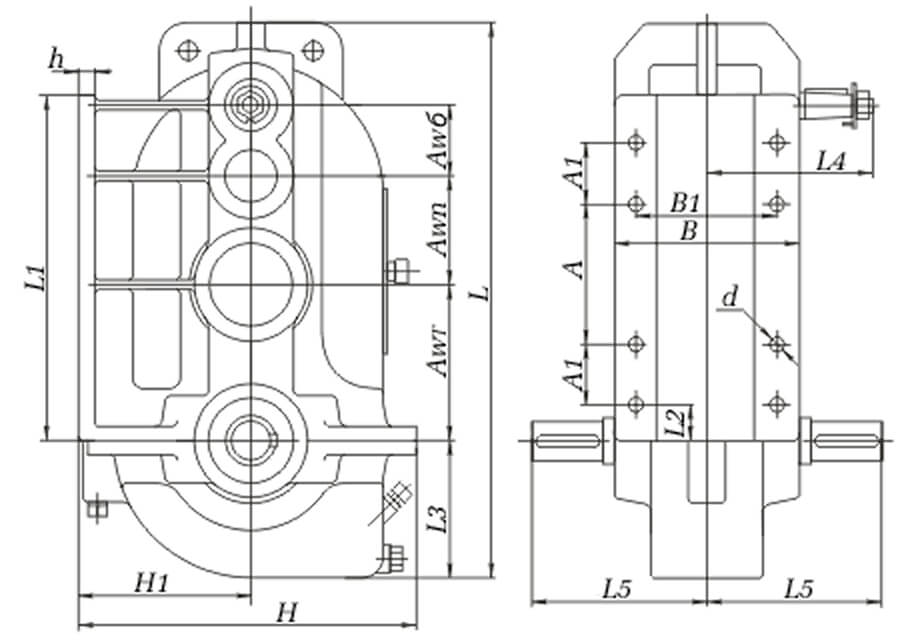
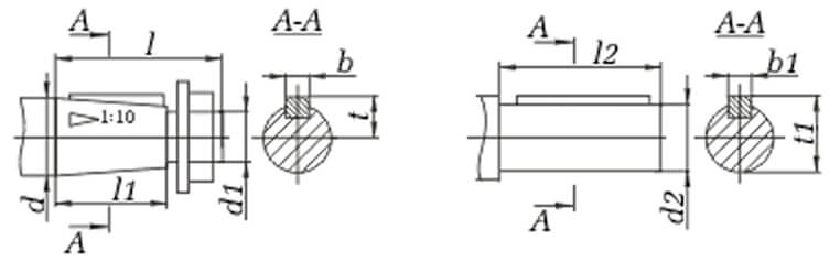
Чертежи
Технические характеристики

Чертежи

Габаритные и присоединительные размеры

Технические характеристики

Технические характеристики