Редуктор 1Ч2 160/100

Редуктор 1Ч2 160/100 – один из представителей высококачественных червячных двухступенчатых редукторов. Все самые главные варианты исполнения конца тихоходного вала, варианты исполнения быстроходного вала, а также стоимость устройства представлены на сайте предприятия.

Технические характеристики редуктора 1Ч2 160/100 следующие:

- передаточное число составляет: 100; 125; 160; 200; 250; 400; 630; 1000; 1600; 2500 и 4000 ном;

- частота вращения входного вала составляет 1500 об/мин.;

- номинальный крутящий момент на выходном валу составляет: 5200; 5300; 5400; 5600; 5700; 5800; 5900; 5900; 6000; 4800 и 4500 Тном, Н.м.;

- подводимая расчетная мощность составляет: 9,75; 7,5; 6,1; 4,66; 3,5; 2,8; 2,3; 1,6; 1,25; 0,72 и 0,53 кВт.;

- КПД составляет: 84; 83; 81; 80; 80; 74; 71; 65; 61; 52 и 48%;

- Допускаемая радиальная нагрузка на входном валу составляет 935 Н., а на выходном валу - 18200 Н.;

- корректированный уровень звуковой мощности составляет 83 дБА.;

- весит редуктор 1Ч2 160/100 не более 195 кг.
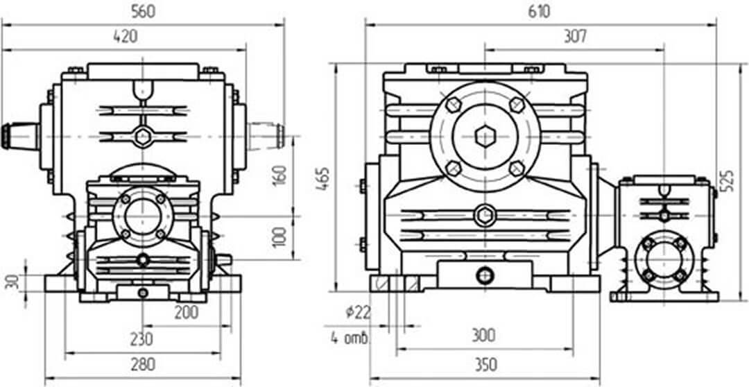
Чертежи
Технические характеристики

Чертежи

Габаритные и присоединительные размеры


Вариант сборки 52 (51, 53), вариант крепления 1, вариант расположения червячной пары 2 ступени (тихоходный) 1, вариант расположения червячной пары 1 ступени (быстроходной) 5


Варианты исполнения конца тихоходного вала

Варианты исполнения быстроходного вала

Технические характеристики