Редуктор NRV 030

Редуктор NRV 030 рассчитан на работу до 24 ч/сут в непрерывном режиме либо с периодическими остановками. К преимуществам привода относятся: монтаж в произвольном пространственном положении, бесшумность, высокая надежность. Скорость вращения входного вала составляет 900-2800 об/мин, выходного вала – 23,3-560 об/мин. Крутящий момент – до 22 Н*м. Данными редукторами комплектуются мотор-редукторы NMRV 030 и DRV 030/040.

Материалы деталей:

корпус — алюминиевый сплав
червяк — сталь
зубчатый венец — бронза Схема типового обозначения
NRV - 030 - 30 - B3
  • NRV - редуктор червячный
  • 030 - типоразмер (межосевое расстояние, мм)
  • 30 - передаточное число
  • B3 - монтажное положение
Чертежи
Технические характеристики

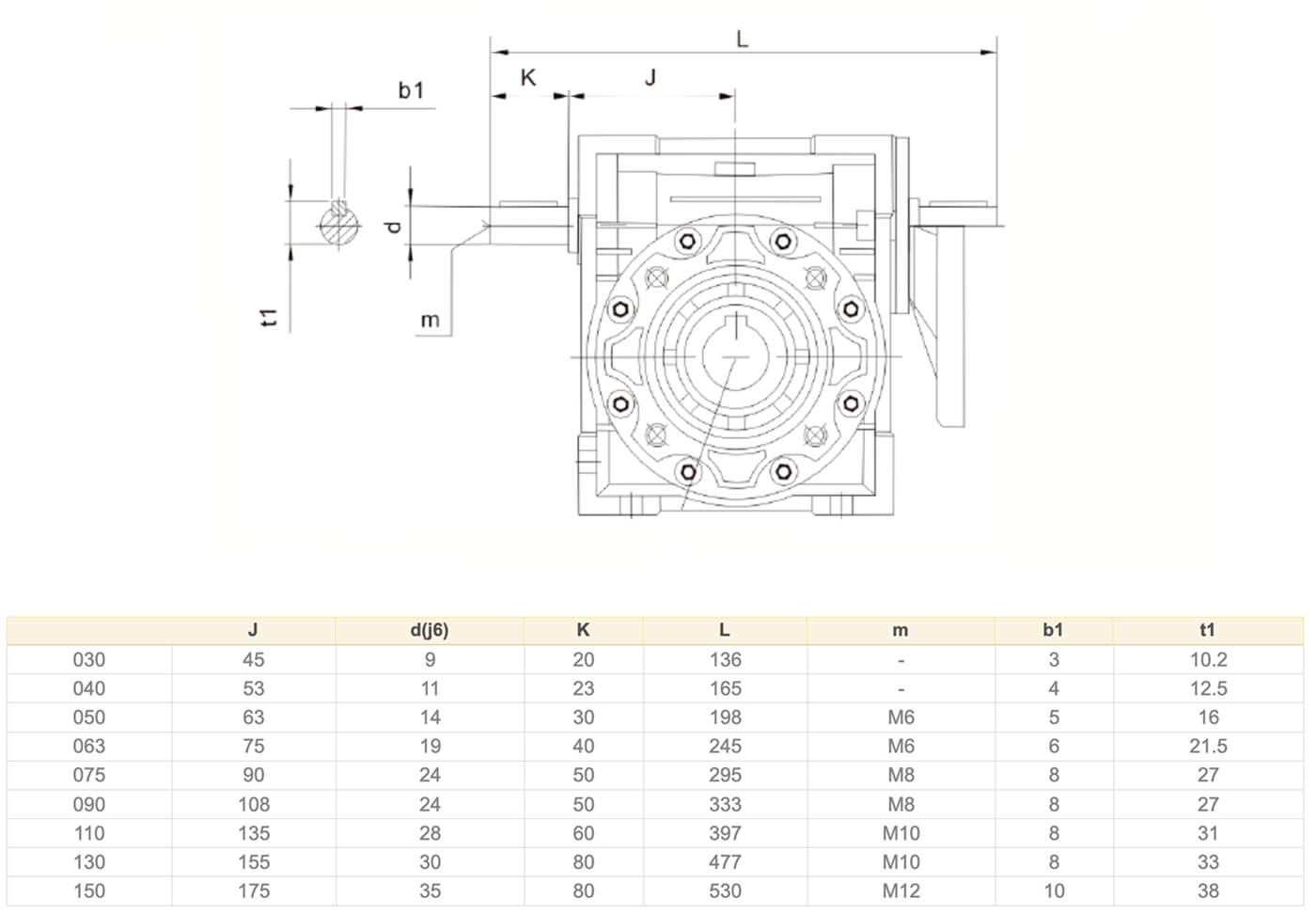
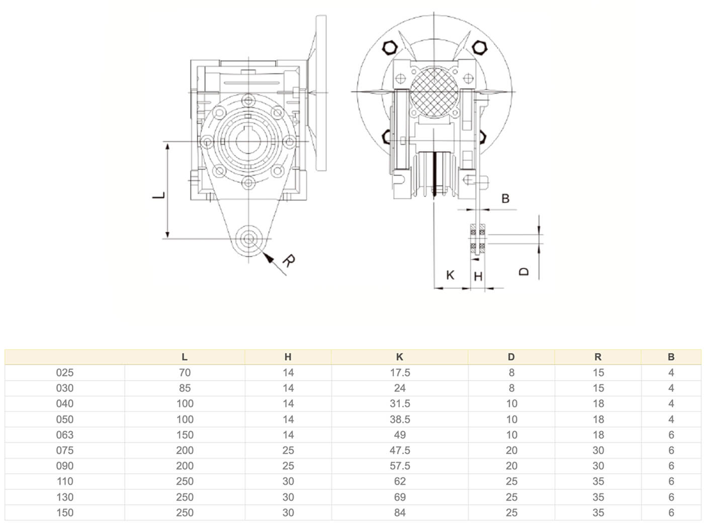
Чертежи

Монтажное исполнение



Монтажные позиции

Габаритные и присоединительные размеры

Технические характеристики

Параметры зацепления червячной пары

Допускаемая радиальная консольная нагрузка на выходном валу

Объём заливаемого масла