Редуктор 1Ц3У-315Н

Редуктор Ц3У 315Н - это техническое устройство, без которого, не могут обходиться многие механизмы и агрегаты, используемые для изготовления транспортных средств и оборудования. Во время его работы направление вращения вала не имеет принципиального значения. Он может работать как в бесперебойном режиме, так и через отдельные промежутки времени. Для эксплуатации данного редуктора рекомендуется использовать масло, которое имеет кинематическую вязкость в пределах 35-150 мм2/с.

Обладая отменной мощностью, редуктор Ц3У 315Н может функционировать длительное время при высокой влажности. Этот универсальный механизм способен переносить достаточно высокие нагрузки, не теряя при этом своих эксплуатационных качеств.
Чертежи
Технические характеристики

Чертежи

Габаритные и присоединительные

размеры




Присоединительные размеры концов выходных валов

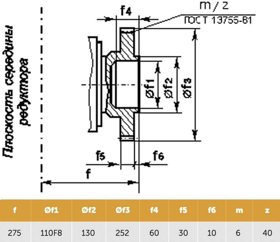
Присоединительные размеры тихоходного вала для присоединения командоаппарата

Присоединительные размеры тихоходного вала в виде части зубчатой муфты

Технические характеристики

Технические характеристики