Редуктор 1Ц2У-200

Узкий цилиндрический редуктор 1Ц2У-200 (Ц2У-200) рассчитан на работу с постоянной или переменной нагрузкой в непрерывном или повторно-кратковременном режиме. В состав агрегата входят две зубчатые передачи, обеспечивающие передаточное отношение 8 — 40. Номинальный крутящий момент — 2500 Н*м. Номинальная радиальная нагрузка на тихоходном валу — 12500 Н. Агрегат монтируется на лапах в горизонтальной плоскости.
Редуктор 1Ц2У-200 отличается высокой надежностью, отказоустойчивостью и износостойкостью. Корпус агрегата изготовлен из чугуна, имеет антикоррозионное покрытие.

Редуктор 1Ц2У-200-31,5-33К У4 ТУ2-056-243-86
1Ц2У - редуктор цилиндрический двухступенчатый
200 - межосевое расстояние, мм
31,5 - номинальное передаточное число
33 - вариант сборки
К - конический конец тихоходного вала
У - климатическое исполнение
4 - категория размещения
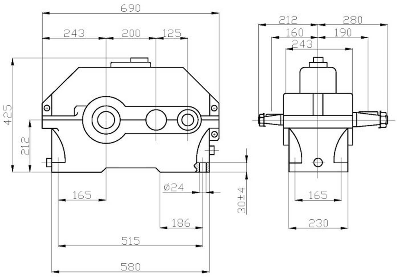
Чертежи
Технические характеристики

Чертежи

Габаритные и присоединительные размеры

Варианты сборки редуктора

Технические характеристики

Технические характеристики