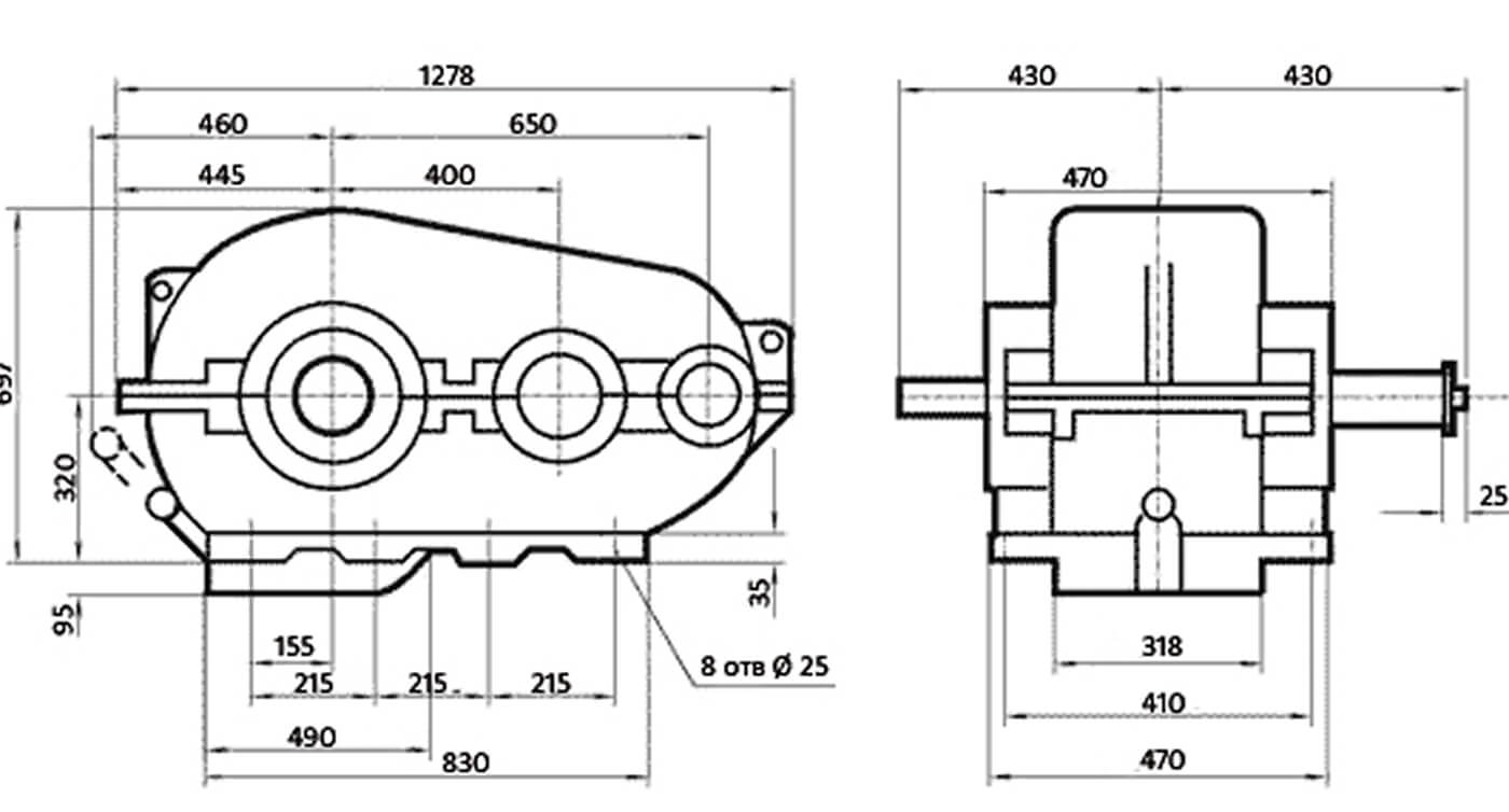
Редуктор РМ-650

Цилиндрический горизонтальный редуктор РМ-650 общемашиностроительного назначения с двумя передаточными ступенями. Валы агрегата расположены параллельно. Частота вращения выходного вала составляет 600 — 1500 об/мин. Диапазон передаточных чисел: 8 — 50. Масса редуктора: 878 кг.

РМ-650 – 40 –21 – ЦЦ – У2
РМ – тип редуктора
650 – межосевое расстояние
40 – номинальное передаточное число
21 - вариант сборки
ЦЦ – вариант исполнения концов входного и выходного валов
У2 – климатическое исполнение и категория размещения
Чертежи
Технические характеристики

Чертежи

Габаритные и присоединительные размеры

Вариант сборки

Технические характеристики

Технические характеристики




РБmax – максимально допустимая консольная нагрузка на входном валу, кН PTmax – максимально допустимая консольная нагрузка на выходном валу, кН PMmax – максимально допустимая консольная нагрузка на выходном валу в виде части зубчатой муфты, кН