Редуктор 1Ц3У-250

Трехступенчатый цилиндрический редуктор 1Ц3У-250 общепромышленного назначения используется для преобразования и передачи крутящего момента. Передаточные числа: первая ступень — 8-50, вторая ступень — 50-100, третья ступень — 100-200. Номинальный крутящий момент — 5000 Н*м.

Редуктор 1Ц3У-250 выпускается в 16-ти вариантах сборки, в пяти вариантах климатического исполнения. Агрегат может комплектоваться валами с цилиндрическими, коническими, муфтовыми и полыми шлицевыми концами. Материал корпуса — чугун.


Редуктор 1Ц3У-250-63-21 Ц У2
1Ц3У – редуктор цилиндрический трехступенчатый
250 – межосевое расстояние тихоходной ступени, мм
63 – номинальное передаточное число
21 – вариант сборки
Ц – цилиндрический конец тихоходного вала
У – климатическое исполнение
2 – категория размещения
Чертежи
Технические характеристики

Чертежи

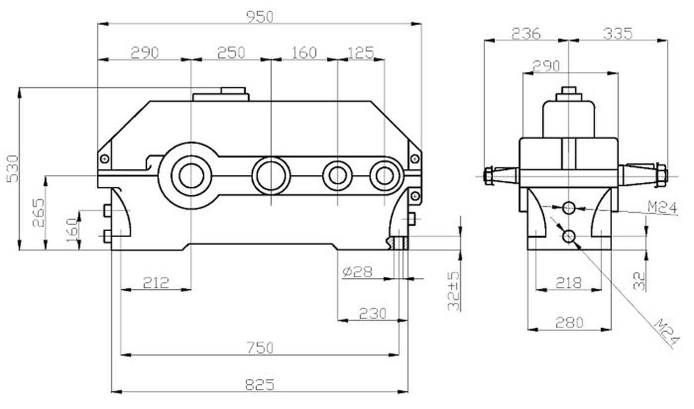
Габаритные и присоединительные размеры



Варианты сборки редуктора

Технические характеристики

Технические характеристики