Редуктор 2Ч-80

Угловой одноступенчатый червячный редуктор 2Ч-80 используется для преобразования крутящего момента и частоты вращения. Передаточное отношение редуктора — от 8 до 80. Номинальный крутящий момент — 210 Н*м. Допустимая радиальная нагрузка — 4000 Н. Скорость вращения быстроходного вала — до 1800 об/мин.

Редуктор 2Ч-80 оборудован съемными лапами. Варианты исполнения входного (быстроходного) и выходного (тихоходного) валов: цилиндрический, конический, полый шлицевой, шпоночный.

Пример условного обозначения в заказе
Редуктор 2Ч-80-50-53-2-У2 С

2Ч - редуктор червячный одноступенчатый
80 - межосевое расстояние, мм
63 - номинальное передаточное число
56 - вариант сборки
2 - вариант расположения червячной пары
У2 - климатическое исполнение
С - индекс, определяющий наличие в редукторе смазки "Трансол-200"
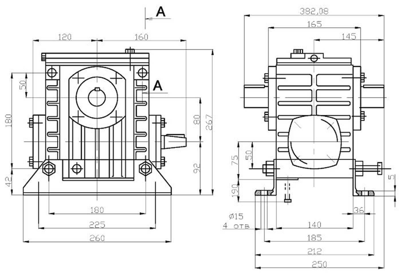
Чертежи
Технические характеристики

Чертежи

Габаритные и присоединительные размеры




Технические характеристики


Условные обозначения:

U ном. - номинальное передаточное число
U факт. - фактическое передаточное число
Мт - допустимый крутящий момент на выходном валу

Объем масла