Редуктор 1Ч2 160/80

Редуктор с реверсом.

Этот тип узла относится к универсальным приводам, которые используются в различных производительных сферах. Редуктор 1Ч2 160/80 специально сконструирован для уменьшения скорости вращения вторичного вала. А также он увеличивает крутящий момент до требуемого значения и способен работать в реверсивном режиме.

  • По климатическим условиям применения редуктор 1Ч2 160/80 полностью соответствует требованиям ГОСТ 15150-69. То есть при наличии пыли в воздухе в количестве 10 миллиграмм на 1 кубический метр. При производственной необходимости редуктор способен работать 24 часа в сутки без пауз.
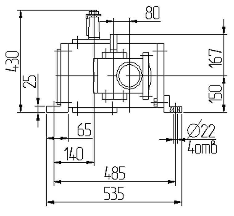
Чертежи
Технические характеристики

Чертежи

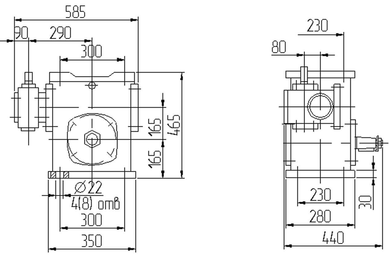
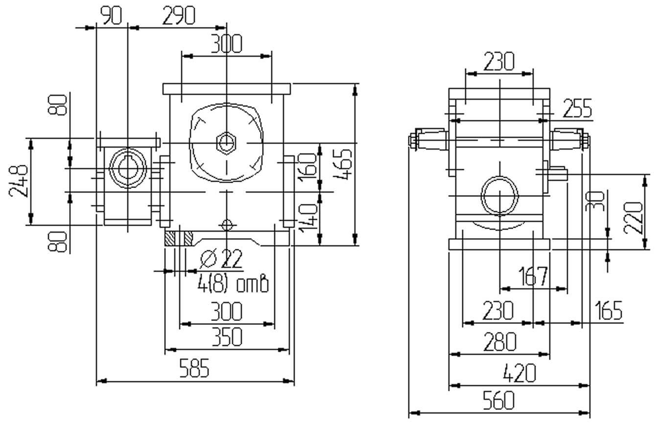
Габаритные и присоединительные размеры




Технические характеристики