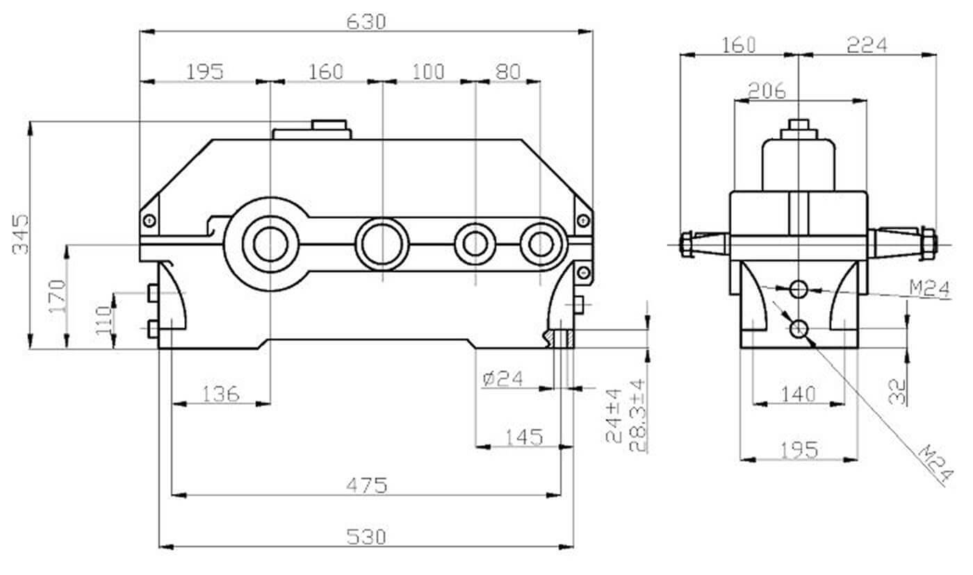
Редуктор 1Ц3У-160

Горизонтальный цилиндрический редуктор 1Ц3У-160 имеет три передаточные ступени с косозубыми зубчатыми передачами. Агрегат обеспечивает передаточное отношение 31,5 — 200. Номинальный крутящий момент на выходном валу — 1250 Н*м. Входной и выходной валы расположены параллельно. Корпус редуктора 1Ц3У-160 производится из чугуна или алюминиевого сплава. КПД — 97%.

Редуктор 1Ц3У-160-12,5-13 Ц У2
1Ц3У – редуктор цилиндрический трехступенчатый
160 – межосевое расстояние тихоходной ступени, мм
12,5 – номинальное передаточное число
13 – вариант сборки
Ц – цилиндрический конец тихоходного вала
У – климатическое исполнение
2 – категория размещения
Чертежи
Технические характеристики

Чертежи

Габаритные и присоединительные размеры



Варианты сборки редуктора

Технические характеристики

Технические характеристики