Редуктор NRV 150

Червячный редуктор NRV 150 — наиболее мощный привод в серии NRV. Крутящий момент агрегата достигает 1550 Н*м. Диапазон передаточных чисел: 7,5 — 100. Привод рассчитан на продолжительную работу (до 24 ч/сут) в непрерывном режиме либо с периодическими остановками.

По желанию заказчика редуктор может быть укомплектован электродвигателем мощностью 2,2 — 15 кВт.

Материалы деталей:

корпус — чугун марки G200
червяк — сталь
зубчатый венец — бронза
Схема типового обозначения
NRV - 150 - 20 - B7

NRV - редуктор червячный
150 - типоразмер (межосевое расстояние, мм)
20 - передаточное число
B7 - монтажное положение
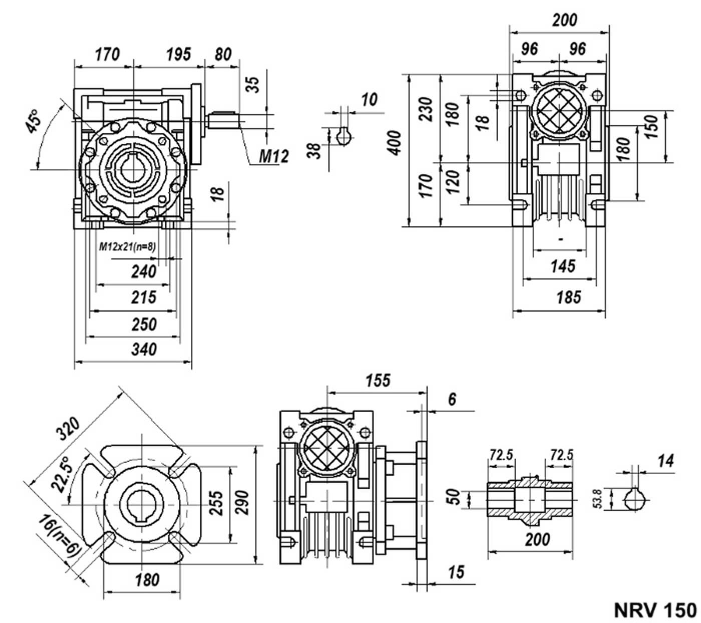
Чертежи
Технические характеристики

Чертежи

Монтажное исполнение



Монтажные позиции

Габаритные и присоединительные размеры


Технические характеристики