Главная
Каталог
Редукторы
Мотор-редукторы
Электродвигатели
О нас
Контакты
Костанай, Фабричная 4А, офис 5
+7 747 111 11 11
Telegram
VK
Skype
Phone
WhatsApp
Назад
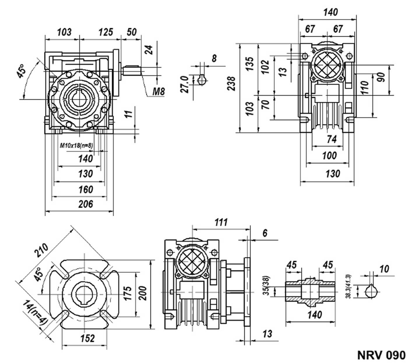
Редуктор NRV 090
тг.
тг.
Запросить цену
Одноступенчатый червячный редуктор NRV 090 используется для преобразования и передачи крутящего момента к исполнительному механизму. Максимальное передаточное отношение агрегата составляет 1:100. Крутящий момент на выходном валу — до 432 Н*м.
Редукторами NRV 090 комплектуются приводы NMRV 090, DRV 040/090, PCRV 071/090 и PCRV 080/090.
Материалы деталей:
корпус — алюминиевый сплав
червяк — сталь
зубчатый венец — бронза
Схема типового обозначения
NRV - 090 - 100 - V5
NRV - редуктор червячный
090 - типоразмер (межосевое расстояние, мм)
100 - передаточное число
V5 - монтажное положение
Чертежи
Технические характеристики
Чертежи
Монтажное исполнение
Монтажные позиции
Габаритные и присоединительные размеры
Технические характеристики
Параметры зацепления червячной пары
Допускаемая радиальная консольная нагрузка на выходном валу
Объём заливаемого масла
Left
Right
Оформить заявку
Ваше Имя
Ваш телефон
Отправить заявку
Мы не передаем данные третьим лицам.