Редуктор 1Ц2У-125 (Ц2У-125)

Двухступенчатый цилиндрический редуктор 1Ц2У-125 (Ц2У-125) с параллельным горизонтальным расположением осей. Диапазон передаточных чисел: 8-40. Номинальный крутящий момент — 315 Н*м. Материал корпуса — чугун/алюминий. Редуктор выпускается в 9-ти вариантах сборки с различным взаимным расположением входного и выходного валов. Концы валов могут иметь цилиндрическое или коническое исполнение.

Редуктор 1Ц2У-125-20-21К У2 ТУ2-056-243-86
1Ц2У - редуктор цилиндрический двухступенчатый
125 - межосевое расстояние, мм
20 - номинальное передаточное число
21 - вариант сборки
К - конический конец тихоходного вала
У - климатическое исполнение
2 - категория размещения
Чертежи
Технические характеристики

Чертежи

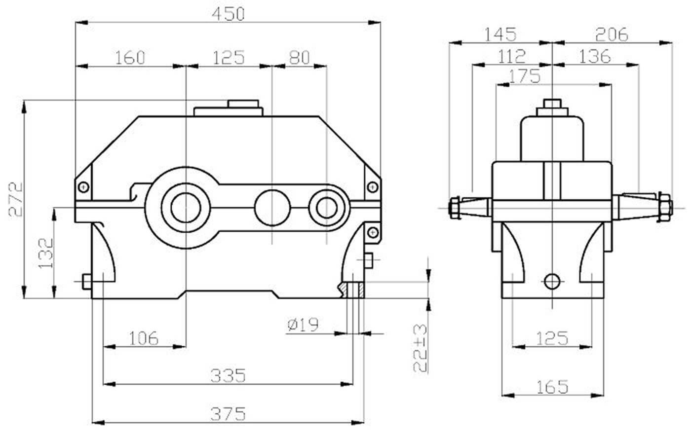
Габаритные и присоединительные размеры



Варианты сборки редуктора

Технические характеристики

Технические характеристики