Редуктор 1Ч 160

Универсальный редуктор 1Ч 160 технологически выполнен на одноступенчатой червячной передаче и эффективно применяется на производственных предприятиях, в других сферах как узел, понижающий первоначальные обороты. Благодаря уникальным конструктивным особенностям редуктор 1Ч 160 способен стабильно функционировать при различных нагрузочных режимах круглые сутки без пауз. Вращение входного вала достигает 1500 оборотов в минуту, а передаточное число находится в пропорции 8/80. Входной и выходной валы вращаются в разные стороны. В сборе вес редуктора составляет 120 килограмм.
Чертежи
Технические характеристики

Чертежи

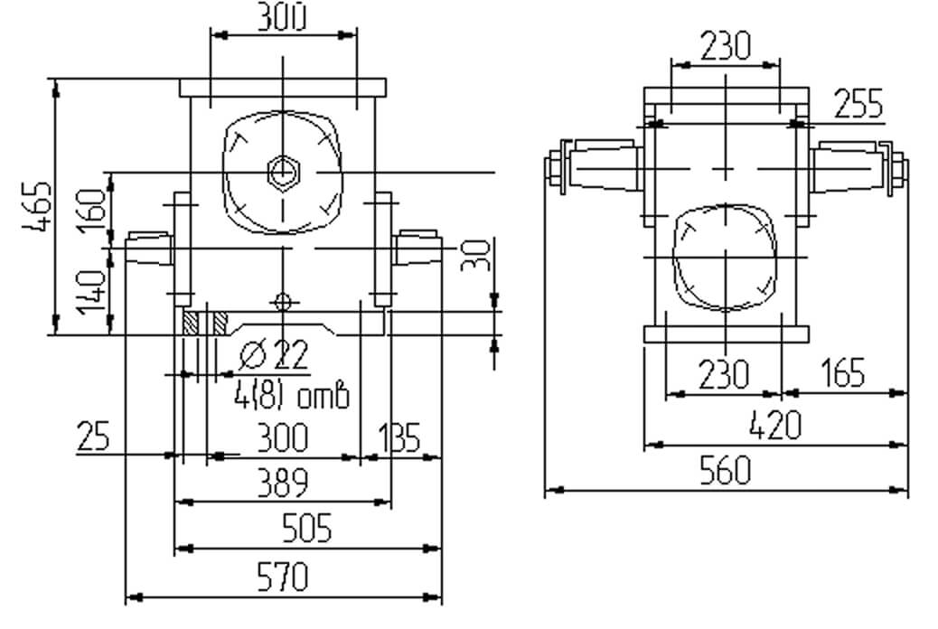
Габаритные и присоединительные размеры






Присоединительные размеры выходных концов валов

Технические характеристики

Технические характеристики