Редуктор 2Ч-40

Червячный редуктор 2Ч-40 с межосевым расстоянием 40 мм используется в промышленных машинах и механизмах для изменения крутящего момента и частоты вращения вала. Привод выпускается в корпусе из алюминиевого сплава в четырех вариантах сборки. В редукторе 2Ч-40 установлена одна червячная передача, обеспечивающая номинальные передаточные числа от 8 до 80. Входной и выходной валы расположены перпендикулярно относительно друг друга. Варианты исполнения выходного вала: цилиндрический, конический, полый шлицевой, полый шпоночный.

Пример условного обозначения в заказе
Редуктор 2Ч-40-50-53-2-У2 С

2Ч - червячный одноступенчатый редуктор
40 - межосевое расстояние, мм
50 - номинальное передаточное число
53 - вариант сборки
2 - вариант расположения червячной пары
У2 - климатическое исполнение
С - индекс, определяющий наличие в редукторе смазки "Трансол-200"
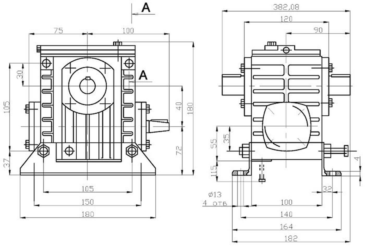
Чертежи
Технические характеристики

Чертежи

Габаритные и присоединительные размеры



Технические характеристики

Технические характеристики