Редуктор 1Ц3У-355

В приводах машин и механизмов в различных отраслях народного хозяйства используется узкий трехступенчатый редуктор 1Ц3У 355 для того, чтобы изменить частоту вращения и крутящий момент. Редуктор 1Ц3У 355 подходит для машин и механизмов, которые предполагают длительный режим работы (до 24 часов с небольшими перерывами). Также он используется при переменных нагрузках с не значительными остановками при работе в неагрессивных средах. При использовании редуктора в реверсном режиме работы крутящий момент уменьшают на 30% в целях техники безопасности. Они применяются на промышленных предприятиях и для частного использования.
Чертежи
Технические характеристики

Чертежи

Габаритные и присоединительные

размеры




Присоединительные размеры концов выходных валов

Присоединительные размеры тихоходного вала для присоединения командоаппарата

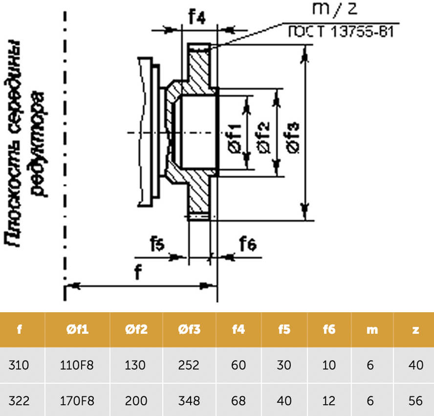
Присоединительные размеры тихоходного вала в виде части зубчатой муфты

Технические характеристики

Технические характеристики