Редуктор Ц3Н 630

Цилиндрический трехступенчатый редуктор Ц3Н 630 представляет собой универсальное и практичное устройство, предназначенное для использования в самых разных отраслях машиностроения. Главным преимуществом, которое отличает редуктор Ц3Н 630, является простота и надежность конструкции, что и выделяет группу цилиндрических редукторов среди всех прочих. К недостаткам можно отнести несимметричность расположения колес редуктора к опорам, что в свою очередь дает неравномерность при распределении нагрузки в процессе работы на все подшипники, размещенные в области зубчатых колес механизма.
Чертежи
Технические характеристики

Чертежи

Габаритные и присоединительные

размеры




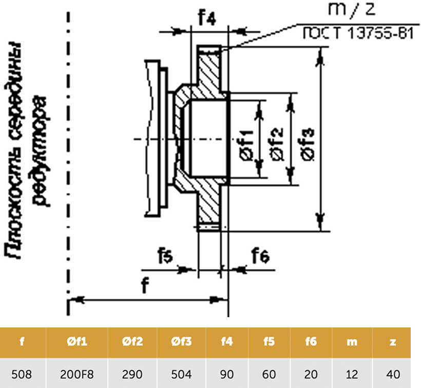
Присоединительные размеры тихоходного вала для присоединения командоаппарата

Присоединительные размеры тихоходного вала в виде части зубчатой муфты

Технические характеристики

Технические характеристики