Редуктор 1ЦУ-100

Одноступенчатый горизонтальный цилиндрический редуктор 1ЦУ-100 предназначен для работы в двух режимах: в течение длительного времени или с периодическими остановками. Номинальный крутящий момент привода — 250 Н*м, диапазон передаточных чисел — 2-6,3. КПД агрегата достигает 98%. Редуктор выпускается в чугунном корпусе, покрытом защитной краской. Вес устройства составляет 27 кг.

Привод комплектуется коническим либо цилиндрическим валом. В паре с редуктором 1ЦУ-100 можно использовать электродвигатель любой мощности без принудительного охлаждения привода.

Редуктор 1ЦУ-100-4-12K У2
1ЦУ - цилиндрический одноступенчатый редуктор
100 - межосевое расстояние, мм
4 - номинальное передаточное число
12 - вариант сборки
К - коническое кольцо тихоходного вала
У - климатическое исполнение
2 - категория размещения
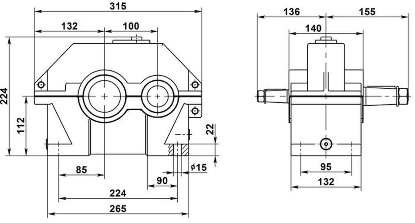
Чертежи
Технические характеристики

Чертежи

Габаритные и присоединительные размеры

Вариант сборки

Технические характеристики

Технические характеристики