Редуктор 1Ц2Н-500

Цилиндрический редуктор 1Ц2Н-500 — наиболее мощный привод серии. Агрегат имеет две передаточные ступени с зубчатыми передачами. Валы расположены параллельно, горизонтально.

В редукторе 1Ц2Н-500 используется зацепление Новикова, обеспечивающее оборудованию ряд преимуществ:
  • Более высокая нагрузочная способность в сравнении с приводами с эвольвентным зацеплением.
  • Высокая износостойкость за счет особого профиля зубьев.
  • Сравнительно невысокий уровень шума.

Редуктор производится в 9 основных вариантах сборки, дополнительно доступно еще 6 вариантов для сопряжения с автоматикой. Передаточные числа агрегата 1Ц2Н-500 — от 8 до 50. Номинальный крутящий момент — от 35 500 до 100 000 Н*м.

Редуктор 1Ц2У-500-12,5-13 Ц У2
  • 1Ц2У – цилиндрический двухступенчатый редуктор
  • 500 – межосевое расстояние тихоходной ступени, мм
  • 12,5 – номинальное передаточное число
  • 13 – вариант сборки
  • Ц – цилиндрический конец тихоходного вала
  • У – климатическое исполнение
  • 2 – категория размещения

КПД, не менее: 0,98
Объем заливаемого масла, л: 100
Масса, кг: 2100
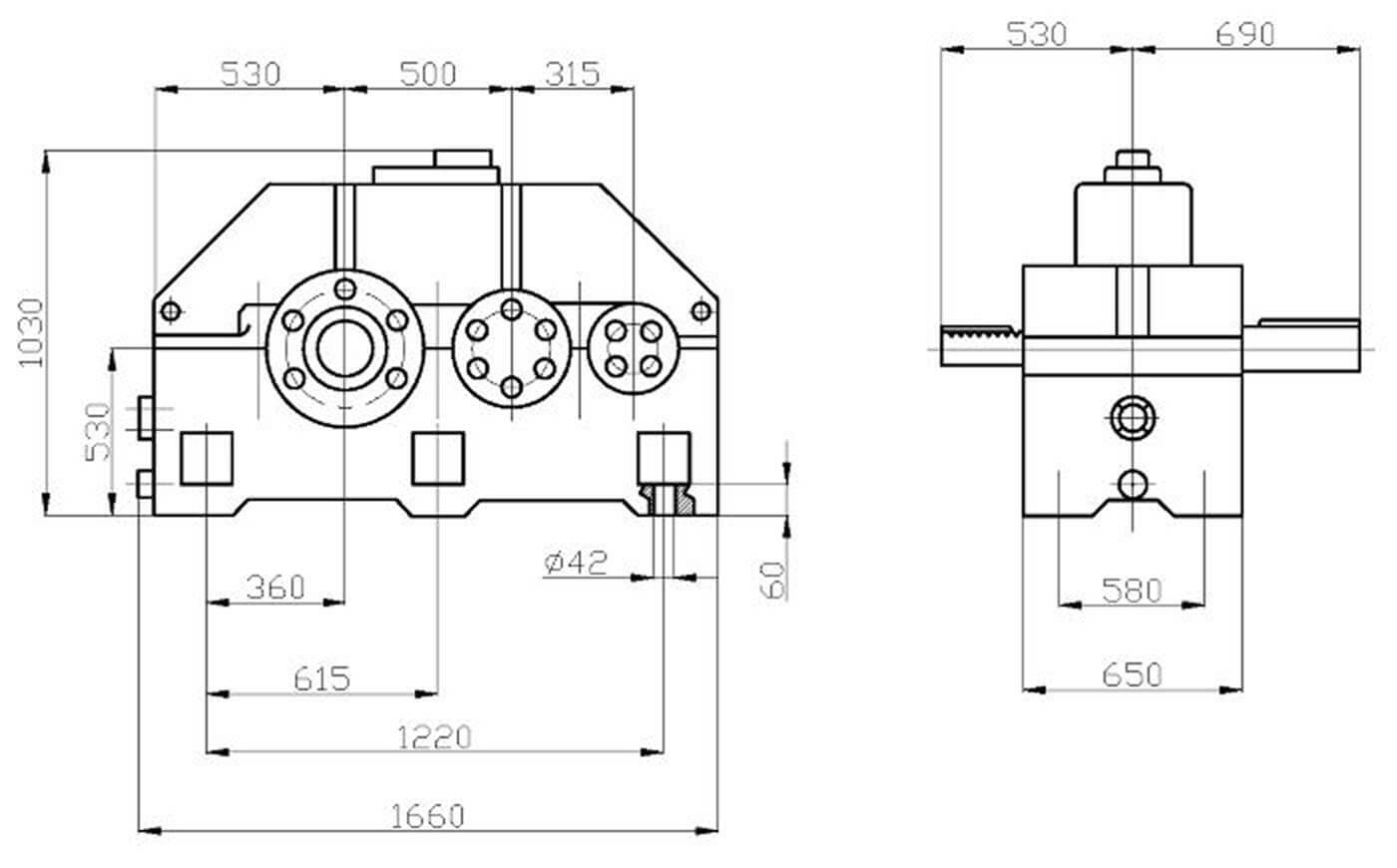
Чертежи
Технические характеристики

Чертежи

Габаритные и присоединительные размеры

Вариант сборки

Технические характеристики

Технические характеристики


Допускаемые крутящие моменты на тихоходном валу, Н м
Л - лёгкий (ПВ = 15%)
С - средний (ПВ = 25%)
Т - тяжёлый (ПВ = 40%)
Н - непрерывный (ПВ = 100%)