Редуктор Ч-100

Редуктор Ч-100 с одной червячной ступенью используется для преобразования крутящего момента в различных промышленных механизмах.

Агрегат обеспечивает передаточные числа в диапазоне от 8 до 80 при КПД до 94%. Допустимая частота вращения входного вала - 1500 об/мин. Корпус редуктора Ч-100 производится из чугуна или алюминия. Климатические модификации - исполнения "У" (умеренный климат) и "Т" (тропический климат). Привод комплектуется коническим либо цилиндрическим выходным валом.

В продаже имеются редукторы в четырех вариантах сборки с различным расположением валов и червячной пары. Уточняйте актуальные цены на оборудование у наших специалистов Пример условного обозначения редуктора в заказе

Редуктор Ч-100-40-51-У3-В
  • Ч — тип редуктора;
  • 100 — межосевое расстояние, мм;
  • 40 — номинальное передаточное число;
  • 51 — вариант сборки;
  • У3 — климатическое исполнение;
  • В — наличие вентилятора (для режима работы — 1).
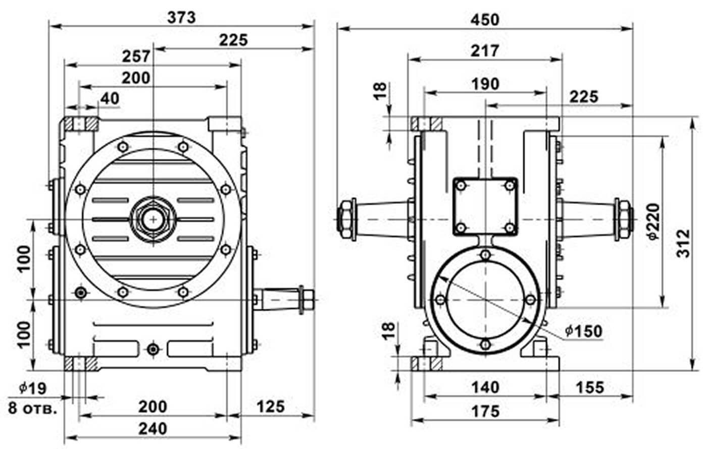
Чертежи
Технические характеристики

Чертежи

Габаритные и присоединительные размеры

Варианты сборки редуктора

Технические характеристики

U ном; U фак.- значения номинального и фактического передаточных чисел;
1500 мин-1; 1000 мин-1; 750 мин-1 - частота вращения вала;
Мт – максимально допустимый крутящий момент, Н•м;
Рб – консольная нагрузка на середину шейки быстроходного вала, Н;
Рт – консольная нагрузка на середину шейки тихоходного вала, Н;
В скобках указана масса редуктора в алюминиевом корпусе.