Редуктор Ч-125

Одноступенчатый червячный редуктор Ч-125 предназначен для работы с нагрузкой различного типа (постоянная, переменная, однонаправленная, реверсивная). Привод производится в нескольких вариантах исполнения с различным пространственным расположением червячной пары. Опционально оснащается вентилятором.

КПД редуктора на высоких оборотах достигает 93%. Выходные валы могут иметь коническое, цилиндрическое и шлицевое исполнение. Редуктор Ч-125 выполнен в неразъемном чугунном корпусе в двух вариантах климатического исполнения ("У" и "Т"). Общий вес агрегата - 88 кг.

Пример условного обозначения редуктора в заказе
Редуктор Ч-125-13-53-У3-В

Ч — тип редуктора;
125 — межосевое расстояние, мм;
13 — номинальное передаточное число;
53 — вариант сборки;
У3 — климатическое исполнение;
  • В — наличие вентилятора (для режима работы — 1).
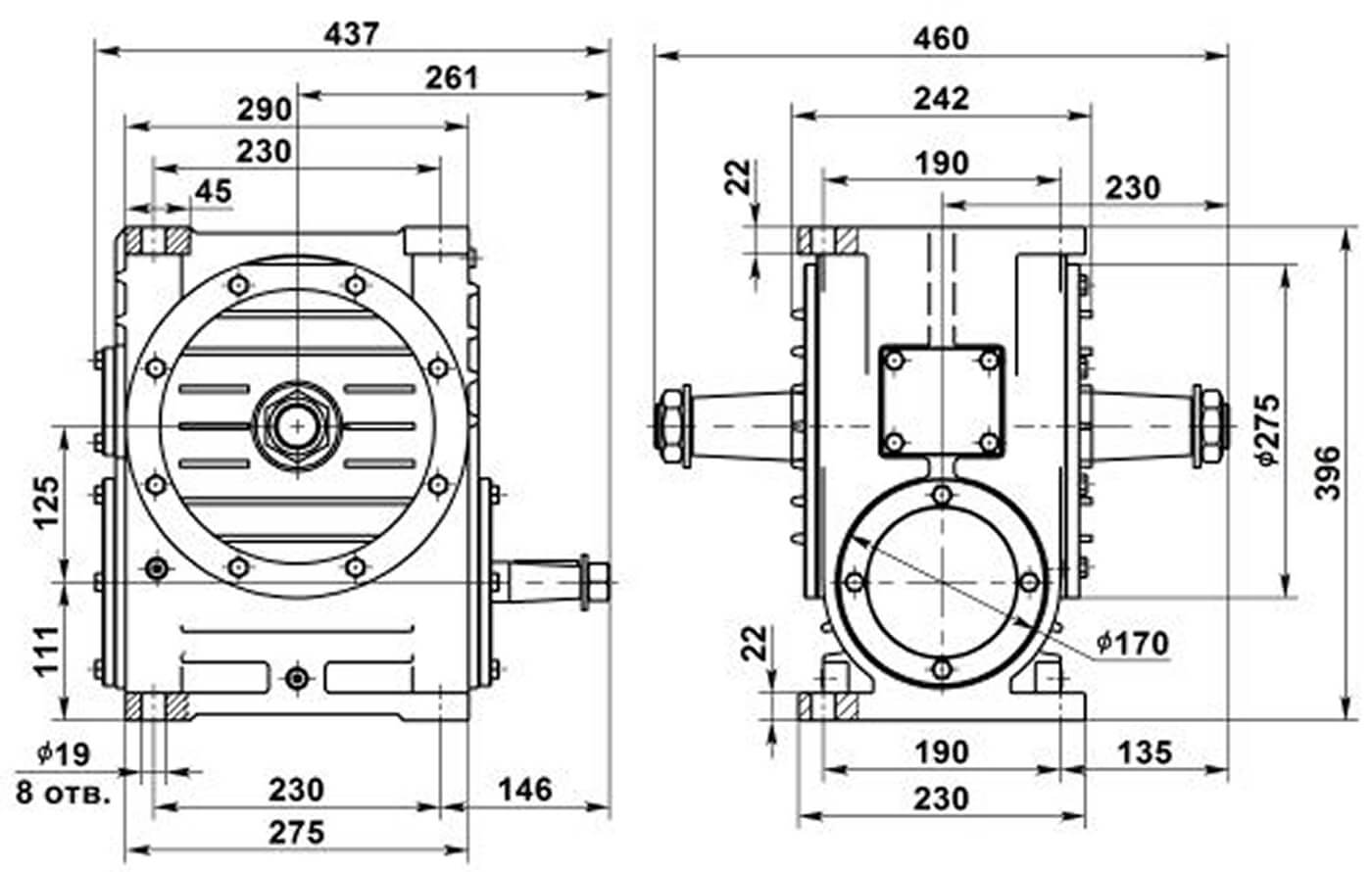
Чертежи
Технические характеристики

Чертежи

Габаритные и присоединительные размеры


Варианты сборки редуктора

Технические характеристики




U ном; U фак.- значения номинального и фактического передаточных чисел;
1500 мин-1; 1000 мин-1; 750 мин-1 - частота вращения вала;
Мт – максимально допустимый крутящий момент, Н•м;
Рб – консольная нагрузка на середину шейки быстроходного вала, Н;
Рт – консольная нагрузка на середину шейки тихоходного вала, Н;
В скобках указана масса редуктора в алюминиевом корпусе.