Редуктор Ц2У 400К

Один из самых качественных и высокотехнологических продуктов - цилиндрический двухступенчатый редуктор Ц2У 400К.

Если говорить о технических характеристиках, то они следующие:

- номинальное передаточное отношение - 8; 10; 12,5; 16; 20; 31,5; 40; 50;

- продолжительность включения составляет 15, 25 и 40 процентов;

- номинальный крутящий момент на тихоходном валу: минимально – 15900, 14600 и 14600 Н•м, а максимально – 18300, 17700, 17500 Н•м.;

- номинальная передаваемая мощность: максимально – 229, 220 и 222,5 кВт, а минимально – 53 или 46 кВт.

- допускаемая радиальная консольная нагрузка, приложенная в середине посадочной части вала тихоходного составляет 50000, а быстроходного – минимум 3150, максимум – 7100.

- весит редуктор Ц2У 400К не более 870кг.
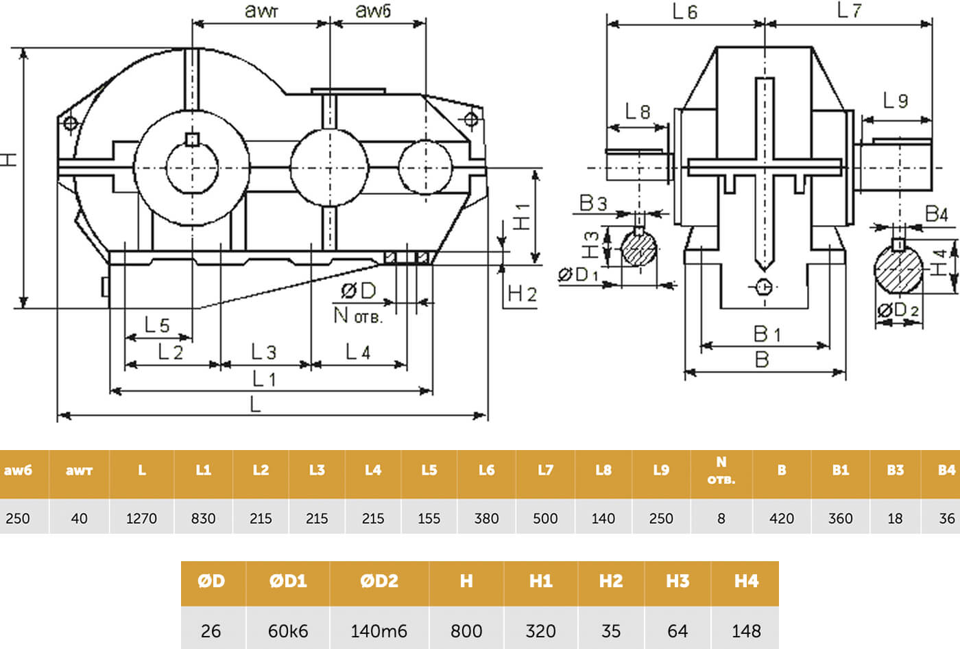
Чертежи
Технические характеристики

Чертежи

Габаритные и присоединительные размеры



Присоединительные размеры выходных валов


Присоединительные размеры тихоходного вала для присоединения командоаппарата

Присоединительные размеры тихоходного вала в виде части зубчатой муфты

Присоединительные размеры тихоходного вала в виде зубчатой полумуфты с паразитной шестерней

Технические характеристики

Технические характеристики