Редуктор Ц2 650

Технический прогресс нашего времени стремится только вперед. Вся техника развивается. Поэтому в большинстве современной технике, к примеру, автомобили, трактора, в станках на заводах, необходима такая деталь как редуктор. Ведь он предназначен для изменения частот вращения мотора. Они бывают разные. Цилиндрический Редуктор Ц2 650 является одним из таковых. Его способности безграничны, а возможности велики. Редуктор Ц2 650 имеет отличный корпус, поэтому хранить его можно практически в любом месте. Но самое главное, что он не заменим в современной технике. Поэтому приобретение его просто необходимо.
Чертежи
Технические характеристики

Чертежи

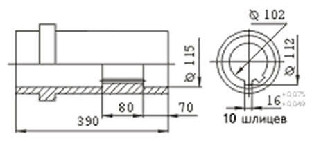
Габаритные и присоединительные размеры



Присоединительные размеры конических выходных валов



Присоединительные размеры цилиндрических выходных валов




Присоединительные размеры цилиндрических выходных валов

Присоединительные размеры тихоходного полого вала редуктора Ц2-400П

Технические характеристики

Технические характеристики