Редуктор Ч2 160/80

Червячный редуктор Ч-160 — надежный, неприхотливый привод общемашиностроительного назначения. Производится в литом чугунном корпусе, может использоваться в сложных климатических условиях (исполнение Т). Разброс передаточных чисел — от 8 до 80.

Пример условного обозначения редуктора в заказе
Редуктор Ч-160-42-56-У3-В

Ч — тип редуктора;
160 — межосевое расстояние, мм;
42 — номинальное передаточное число;
56 — вариант сборки;
У3 — климатическое исполнение;
  • В — наличие вентилятора (для режима работы — 1).
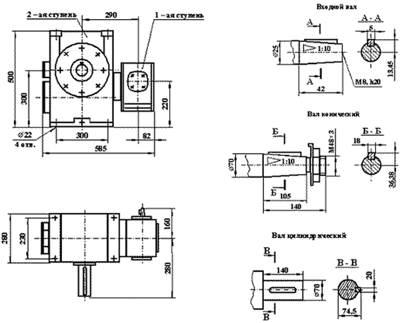
Чертежи
Технические характеристики

Чертежи

Габаритные и присоединительные размеры

Технические характеристики


Примечание: Значения крутящих моментов и КПД приведены при температуре окружающей среды +20оС и при использовании легированных масел. В случае применения нелегированных масел эти значения необходимо снизить на 14%