Главная
Каталог
Редукторы
Мотор-редукторы
Электродвигатели
О нас
Контакты
Костанай, Фабричная 4А, офис 5
+7 747 111 11 11
Telegram
VK
Skype
Phone
WhatsApp
Назад
Редуктор 1Ц2Н-450
тг.
тг.
Запросить цену
Редуктор 1Ц2У-450-40-33 Ц У4
1Ц2У – цилиндрический двухступенчатый редуктор
450 – межосевое расстояние тихоходной ступени, мм
40 – номинальное передаточное число
33 – вариант сборки
Ц – цилиндрический конец тихоходного вала
У – климатическое исполнение
4 – категория размещения
КПД, не менее: 0,98
Объем заливаемого масла, л: 90
Масса, кг: 1530
Чертежи
Технические характеристики
Чертежи
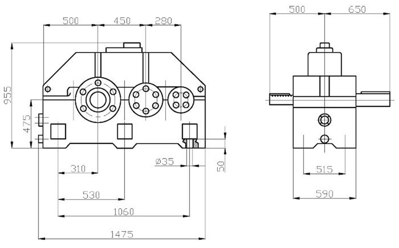
Габаритные и присоединительные размеры
Вариант сборки
Технические характеристики
Технические характеристики
Допускаемые крутящие моменты на тихоходном валу, Н м
Л - лёгкий (ПВ = 15%)
С - средний (ПВ = 25%)
Т - тяжёлый (ПВ = 40%)
Н - непрерывный (ПВ = 100%)
Left
Right
Оформить заявку
Ваше Имя
Ваш телефон
Отправить заявку
Мы не передаем данные третьим лицам.