Редуктор 1Ц2Н 560К

Цилиндрический редуктор 1Ц2Н 560К относится к приводам общего назначения и используется в технических механизмах, машинах и различном оборудовании для уменьшения частоты вращения. А при уменьшении данной частоты одновременно происходит увеличение вращающего момента. При его функционировании возможно вращение валов как в одну, так и в другую сторону.

Такой редуктор 1Ц2Н 560К отличается высоким КПД и может, без труда, работать в условиях повышенной нагрузки. Общая продолжительность перегрузок допускается в пределах 250 часов. При обыкновенном режиме редуктор способен работать длительное время без перерыва.
Чертежи
Технические характеристики

Чертежи

Габаритные и присоединительные размеры



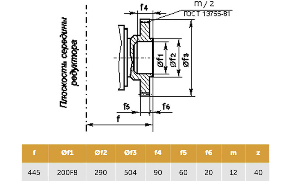
Присоединительные размеры выходных валов


Присоединительные размеры тихоходного вала в виде части зубчатой муфты


Технические характеристики

Технические характеристики