Редуктор ЦДНД 200

Цилиндрический Редуктор ЦДНД 200 надежный и обладает особым качеством. Он служит долго и надежно. В основном, он используется для работы и преобразованиях больших мощностей. Область применения самая разнообразная. Это могут быть Конвейеры, элеваторы; птицефабрики; упаковочное оборудование и т.д. Редуктор ЦДНД 200 имеет отличные характеристики и предназначен для долговременной работы. Поэтому он надежен и служит долго. Самые положительные отзывы. Поэтому он и заслуживает называться лучшим. Эксплуатируется хорошо и имеет хороший спрос среди потребителей данной продукции.
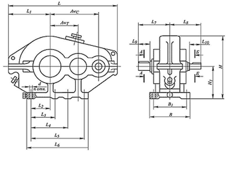
Чертежи
Технические характеристики

Чертежи

Габаритные и присоединительные размеры

Присоединительные размеры валов

Технические характеристики

Технические характеристики