Редуктор 1Ц2У 355

Технологии современного мира развиваются. Так и составные части автомобиля и техники в общем. Одной из основных частей автомобиля является Редуктор 1Ц2У 355. Основное назначение которого заключается в понижении частоты вращения и увеличения приводных моторов. Если говорить про автомобиль в целом, то он представляет собой механизм, который служит для изменения скорости, в момент передачи вращательного движения от одного к другому валу. Поэтому Редуктор 1Ц2У 355 является незаменимой составляющей в технике. И поэтому, в свою очередь редуктор Ц2У 355 пользуется большой популярностью во многих сферах деятельности.
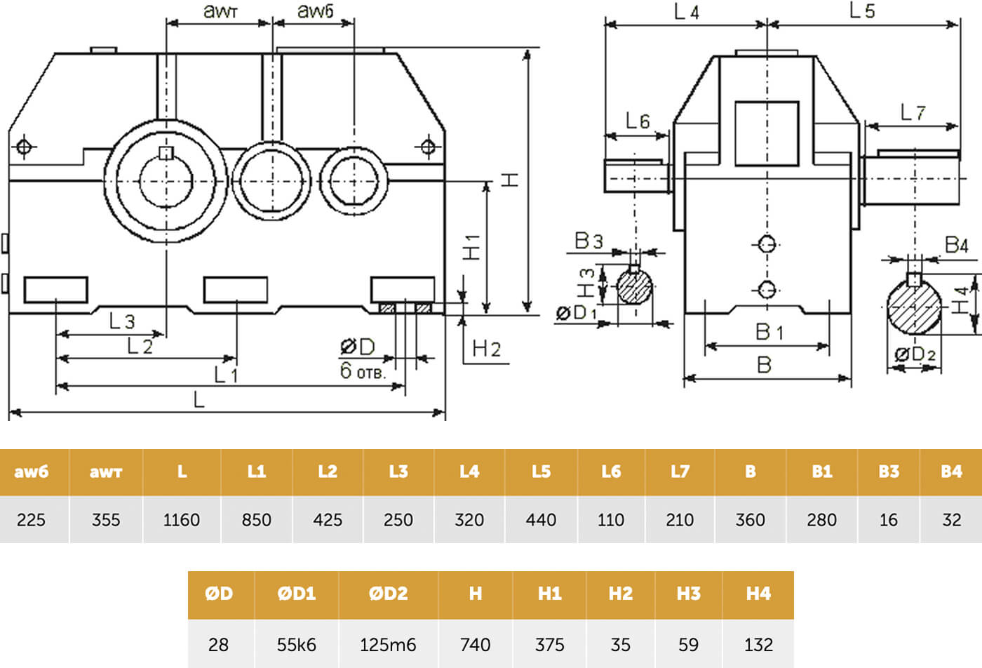
Чертежи
Технические характеристики

Чертежи

Габаритные и присоединительные размеры



Присоединительные размеры выходных валов


Присоединительные размеры тихоходного вала в виде части зубчатой муфты

Присоединительные размеры тихоходного вала в виде части зубчатой муфты

Технические характеристики

Технические характеристики