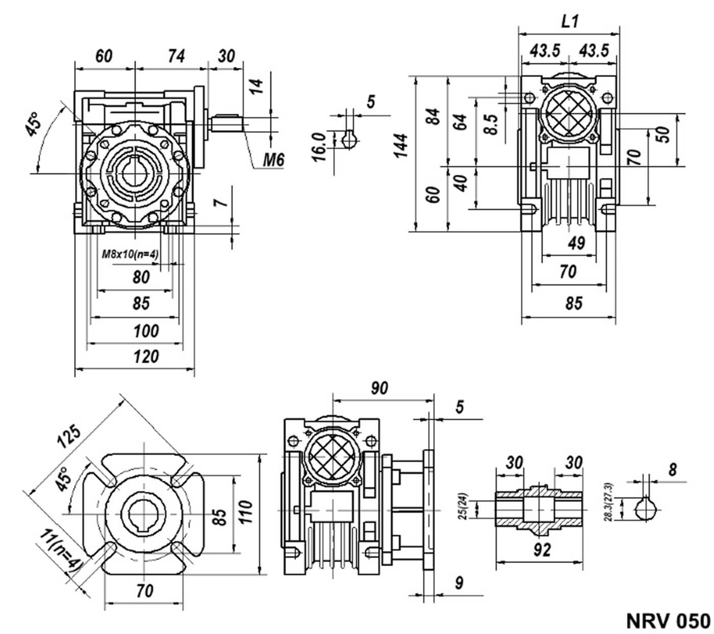
Редуктор NRV 050

Редуктор NRV 050 используется для понижения угловой скорости и частоты вращения. Момент силы преобразуется с помощью червячной передачи. Передаточное отношение редуктора составляет 5 — 100. Максимальный крутящий момент — 88 Н*м. Допустимая радиальная нагрузка — до 4338 Н. По желанию заказчика агрегат может комплектоваться электродвигателем.

Материалы деталей:

корпус — алюминиевый сплав
червяк — сталь
зубчатый венец — бронза
Схема типового обозначения
NRV - 050 - 25 - V5

NRV - редуктор червячный
050 - типоразмер (межосевое расстояние, мм)
25 - передаточное число
V5 - монтажное положение
Чертежи
Технические характеристики

Чертежи

Монтажное исполнение



Монтажные позиции

Габаритные и присоединительные размеры


Технические характеристики

Параметры зацепления червячной пары



Допускаемая радиальная консольная нагрузка на выходном валу



Объём заливаемого масла