Редуктор Ц3У 400Н

Редуктор Ц3У 400Н горизонтальный, трёхступенчатый относится к особенным механизмам, которые являются незаменимыми для транспортных средств, так как позволяют увеличивать крутящий момент и при этом уменьшают частоту вращения. Применяются они во всех транспортных средствах, машинах различных модификаций. Редуктор Ц3У 400Н может использоваться как при переменной, так и при постоянной, то есть оптимальной, нагрузке, как одного направления, так и реверсивно. Он незаменим при длительной работе машин и механизмов с незначительными перерывами, при вращении валов в различные стороны, причём частота вращения не должна быть больше 1800 об/мин.
Чертежи
Технические характеристики

Чертежи

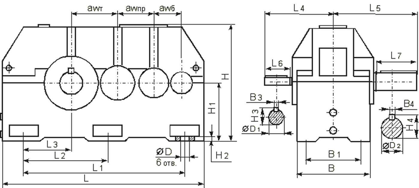
Габаритные и присоединительные

размеры




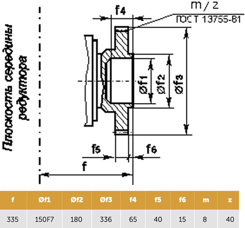
Присоединительные размеры концов выходных валов

Присоединительные размеры тихоходного вала для присоединения командоаппарата

Присоединительные размеры тихоходного вала в виде части зубчатой муфты

Технические характеристики

Технические характеристики