Редуктор 1ЦУ-200

Горизонтальный цилиндрический редуктор 1ЦУ-200 с одной зубчатой ступенью предназначен для преобразования и передачи крутящего момента. Агрегат характеризуется высокой эффективностью (КПД 98%) и надежностью, малошумностью. Привод способен воспринимать значительные нагрузки в течение длительного периода времени.

Номинальные передаточные отношения редуктора: 2, 2,5, 3,15, 4, 5, 6,3. Номинальный крутящий момент — 2500 Н*м.
Агрегат доступен в девяти вариантах компоновки, в двух вариантах исполнения валов (К — конический; Ц - цилиндрический).

Редуктор 1ЦУ-200-5-32K У3
1ЦУ - цилиндрический одноступенчатый редуктор
200 - межосевое расстояние, мм
5 - номинальное передаточное число
32 - вариант сборки
К - коническое кольцо тихоходного вала
У - климатическое исполнение
3 - категория размещения
Чертежи
Технические характеристики

Чертежи

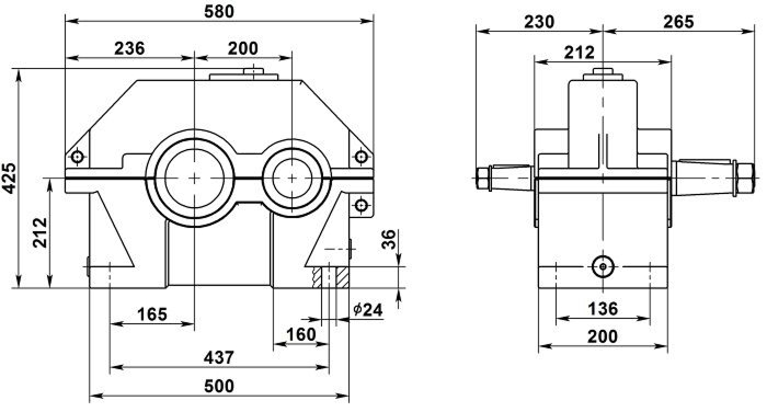
Габаритные и присоединительные размеры

Вариант сборки

Технические характеристики

Технические характеристики



Термическая мощность, кВт