Редуктор 1Ц2У-100 (Ц2У-100)

Горизонтальный узкий цилиндрический редуктор 1Ц2У-100 (Ц2У-100) имеет две передаточные ступени с зубчатыми передачами. Агрегат используется в промышленных машинах и механизмах для преобразования крутящего момента. Передаточное отношение редуктора — от 8 до 40. Номинальный крутящий момент — 315 Н*м. Корпус производится из чугуна или алюминия. Редуктор рассчитан на работу в непрерывном или повторно-кратковременном режиме с постоянной или переменной нагрузкой.

Редуктор 1Ц2У-100-10-23Ц У2 ТУ2-056-243-86
1Ц2У - редуктор цилиндрический двухступенчатый
100 - межосевое расстояние, мм
10 - номинальное передаточное число
23 - вариант сборки
Ц - цилиндрический конец тихоходного вала
У - климатическое исполнение
2 - категория размещения
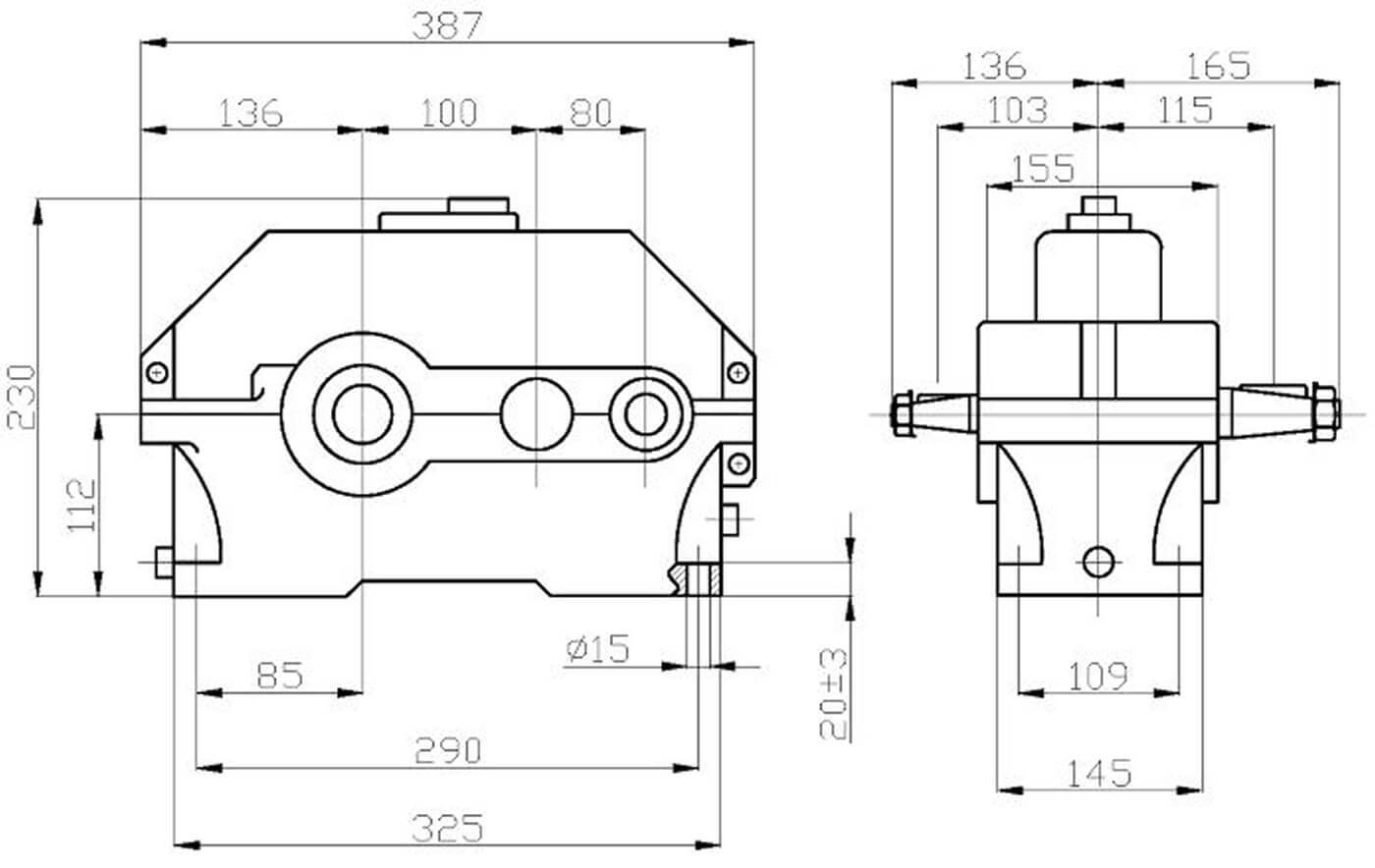
Чертежи
Технические характеристики

Чертежи

Габаритные и присоединительные размеры



Варианты сборки редуктора

Технические характеристики

Технические характеристики