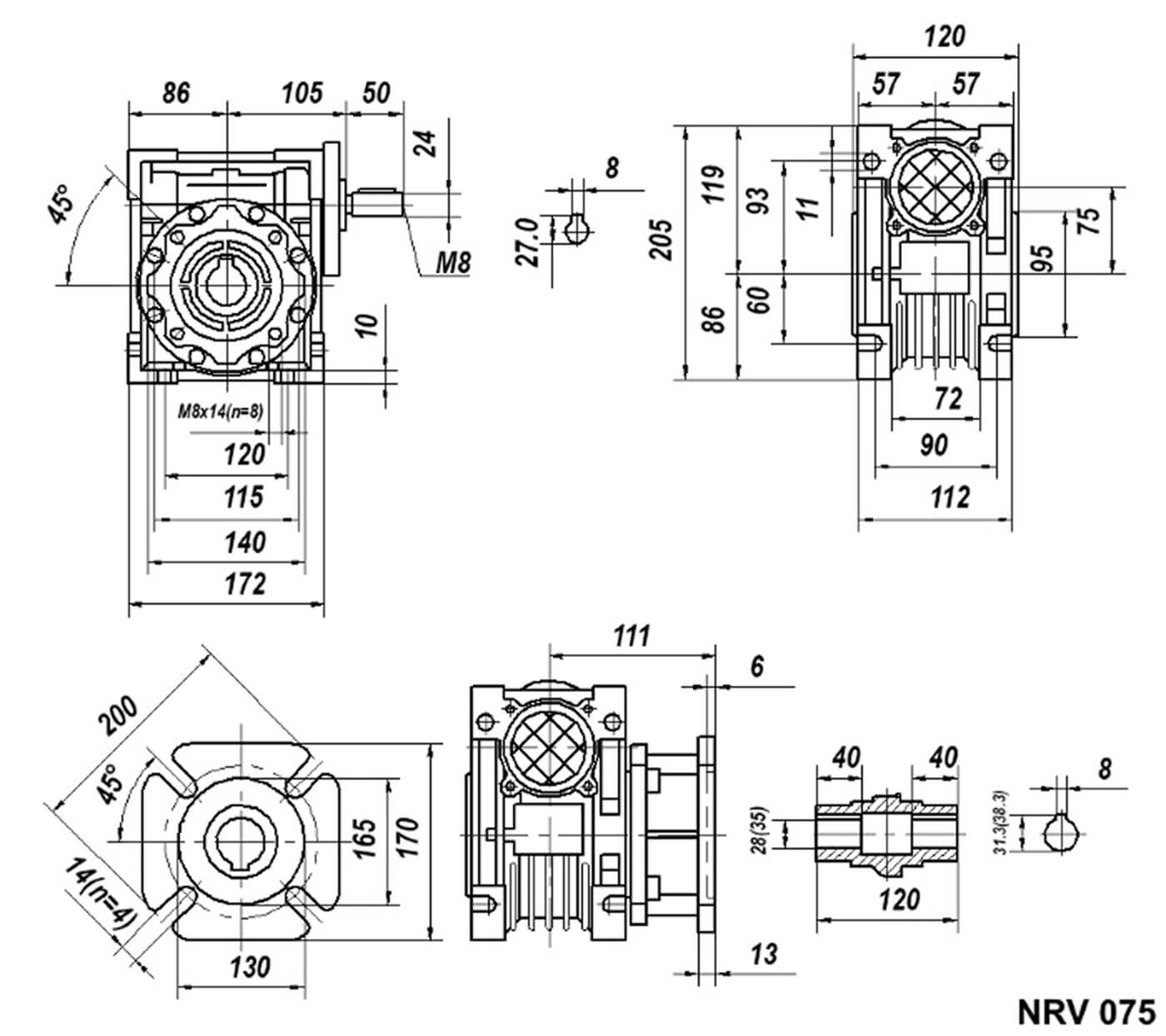
Редуктор NRV 075

Одноступенчатый червячный редуктор NRV 075 выпускается в универсальном корпусе из алюминиевого сплава. Агрегат обеспечивает крутящий момент до 247 Н*м. Передаточное отношение: 5 — 100. Входной и выходной валы расположены под углом 90° по отношению друг к другу. На базе данного редуктора производятся мотор-редукторы NMRV 075 и PCRV 071/075.

Материалы деталей:

корпус — алюминиевый сплав
червяк — сталь
зубчатый венец — бронза
Схема типового обозначения
NRV - 075 - 15 - B3

NRV - редуктор червячный угловой
075 - межосевое расстояние, мм
15 - передаточное число
B3 - монтажное положение
Чертежи
Технические характеристики

Чертежи

Монтажное исполнение



Монтажные позиции

Габаритные и присоединительные размеры


Технические характеристики

Параметры зацепления червячной пары



Допускаемая радиальная консольная нагрузка на выходном валу



Объём заливаемого масла