Редуктор NRV 130

Понижающий редуктор NRV 130 развивает крутящий момент на выходе до 1500 Н*м. Передаточное отношение: 7,5 — 100. Допустимая радиальная нагрузка: до 12124 Н.

Особенности редуктора: взаимозаменяемость с приводами других производителей, компактность, монтаж в произвольном пространственном положении.

Материалы деталей:

корпус — чугун марки G200
червяк — сталь
зубчатый венец — бронза
Схема типового обозначения
NRV - 130 - 40 - B6

NRV - редуктор червячный
130 - типоразмер (межосевое расстояние, мм)
40 - передаточное число
B6 - монтажное положение
Чертежи
Технические характеристики

Чертежи

Монтажное исполнение



Монтажные позиции

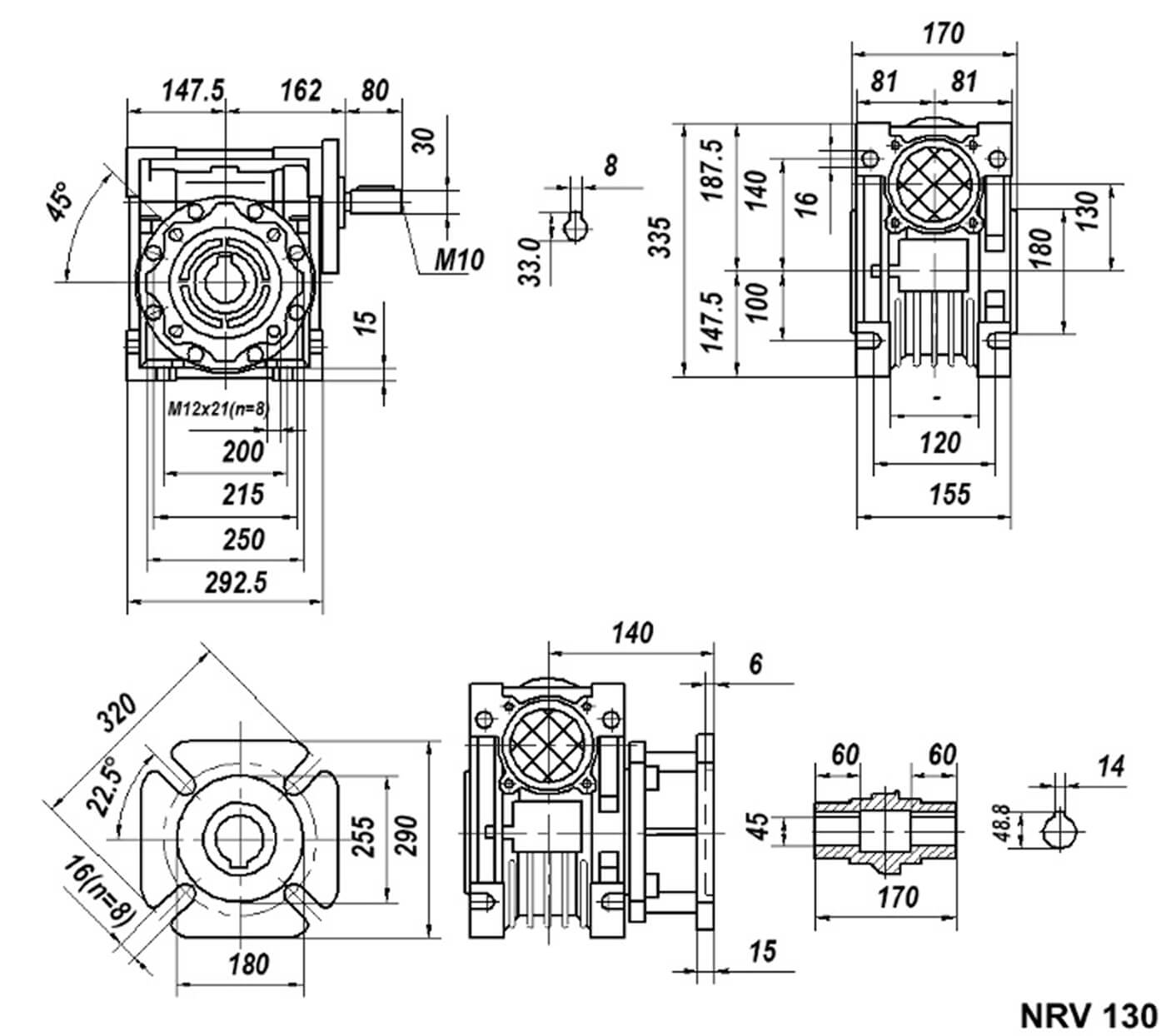
Габаритные и присоединительные размеры


Технические характеристики

Параметры зацепления червячной пары



Допускаемая радиальная консольная нагрузка на выходном валу