Редуктор Ц2У 400Н

Цилиндрические редукторы необходимы для изменения крутящих моментов и частот вращения. Цилиндрический Редуктор Ц2У 400Н популярен и представляет большие возможности. Он используется в современной технике. Состоит из тяжелых металлов, поэтому обладает прочностью и надежностью. Как правило, они комплектуются цилиндрическими зубчатыми передачами. А также они отличаются числом ступеней и положением валов. Их популярность постоянно растет, так как они хорошо используются в хозяйстве.Ведь это трактора, комбайны и т.д. Редуктор Ц2У 400Н это отличный выбор, который много чего может и несомненно оправдает себя.
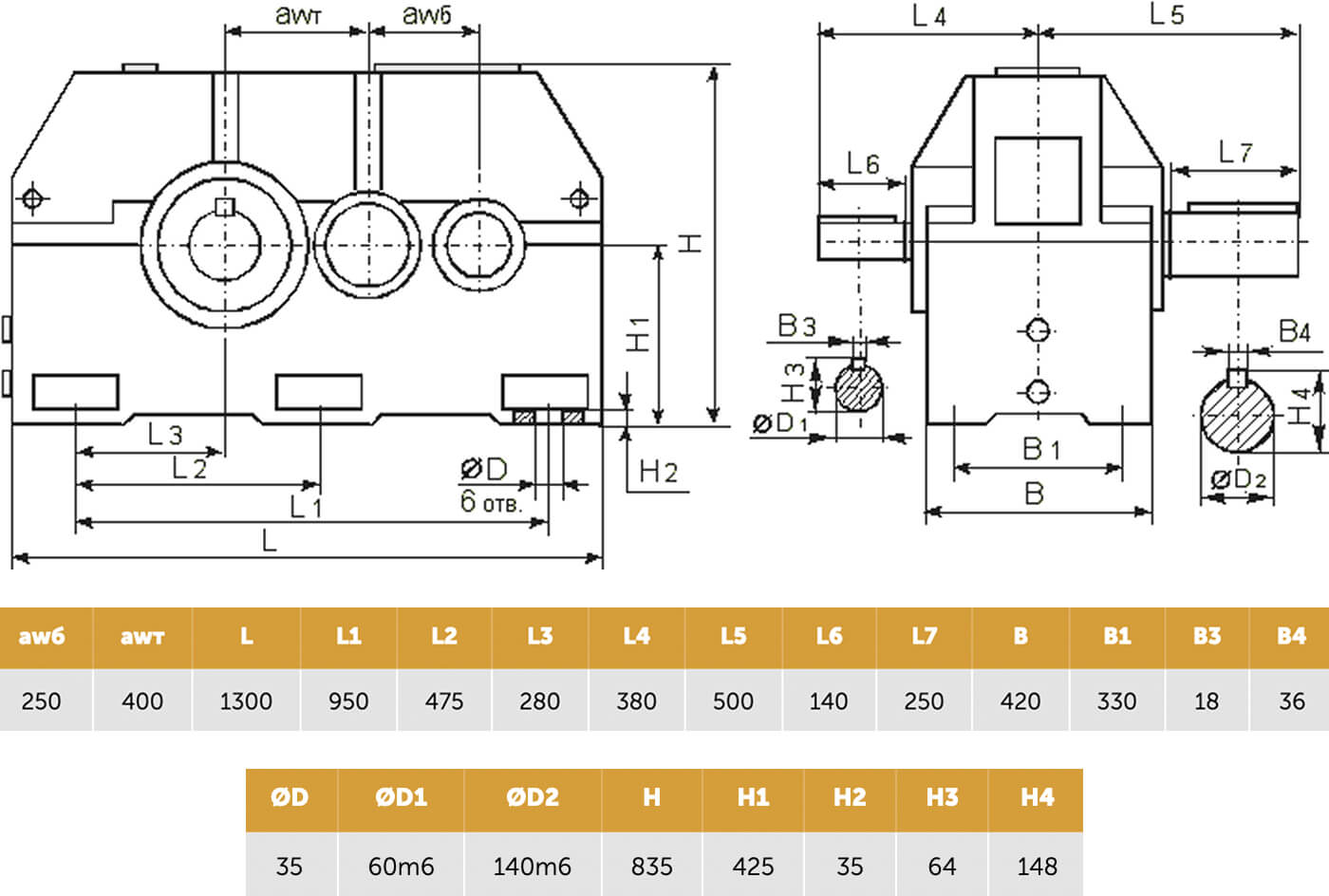
Чертежи
Технические характеристики

Чертежи

Габаритные и присоединительные размеры



Присоединительные размеры выходных валов


Присоединительные размеры тихоходного вала в виде части зубчатой муфты

Присоединительные размеры тихоходного вала в виде части зубчатой муфты

Технические характеристики

Технические характеристики