Редуктор 1Ц3Н 500

Неотъемлемой частью современной техники является редуктор. Он используется практически во всей технике. Цилиндрический Редуктор 1Ц3Н 500 используется в станках различных видах, в мешалках, экструдерах. Он обладает большой мощностью и поэтому его область использования широка. Для правильной его работы, необходим тщательный уход, а именно своевременная замена масла. В этом случае составные части не будут стираться и перегреваться, что в последствии, как правило, привод к поломкам и неисправностям разного рода. Цилиндрический Редуктор 1Ц3Н 500 надежен и поэтому пользуется большой популярностью и спросом среди крупных компаний.
Чертежи
Технические характеристики

Чертежи

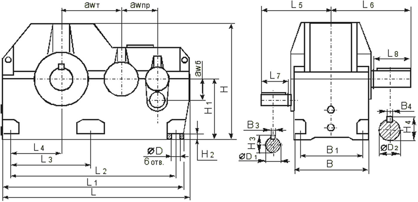
Габаритные и присоединительные

размеры





Присоединительные размеры концов выходных валов

Присоединительные размеры тихоходного вала для присоединения командоаппарата

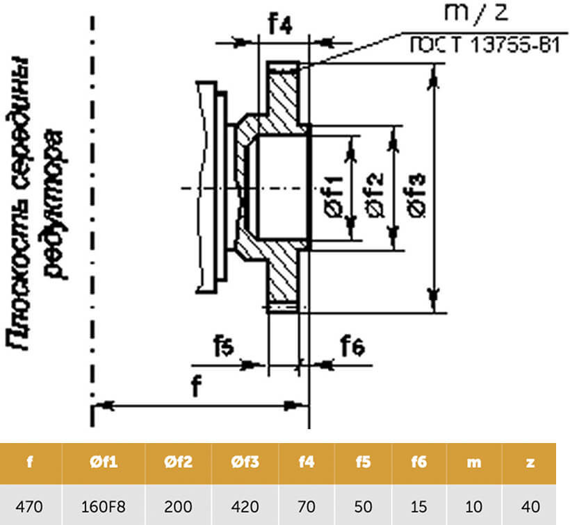
Присоединительные размеры тихоходного вала в виде части зубчатой муфты

Технические характеристики

Технические характеристики