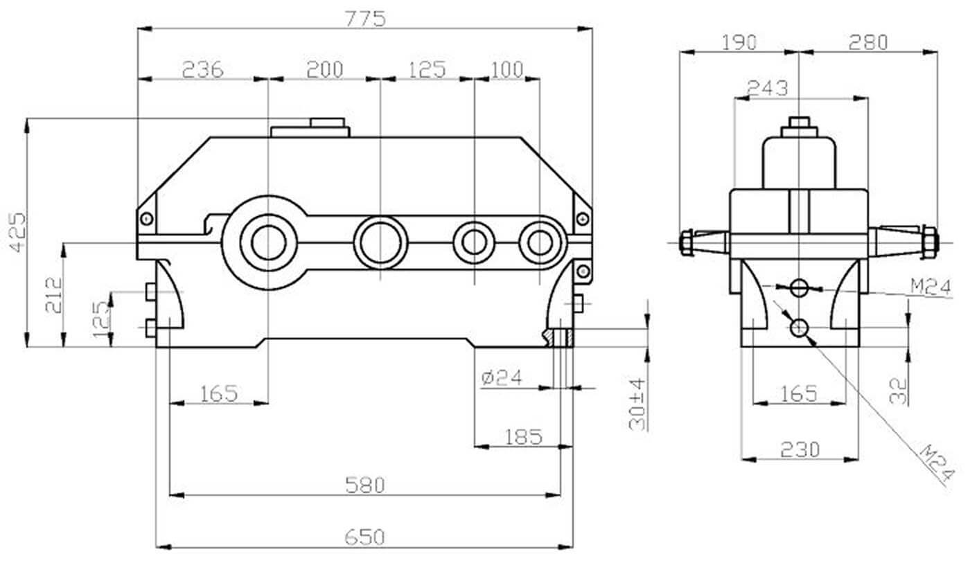
Редуктор 1Ц3У-200

Цилиндрический редуктор 1Ц3У-200 с горизонтальным, параллельным расположением входного и выходного валов. В состав агрегата входят три передаточные ступени, обеспечивающие передаточные числа от 31,5 до 200. Тип передачи — цилиндрическая зубчатая косозубая с эвольвентным зацеплением. Номинальный крутящий момент редуктора составляет 2 500 Н*м.

Корпус редуктора 1Ц3У-200 изготовлен из чугуна и имеет антикоррозионное защитное покрытие. Варианты исполнения валов: цилиндрические, конические, муфтовые, полые. Редуктор используется в машиностроении, сельскохозяйственных машинах, легкой и тяжелой промышленности.


Редуктор 1Ц3У-200-56-11 К У2
1Ц3У – редуктор цилиндрический трехступенчатый
200 – межосевое расстояние тихоходной ступени, мм
56 – номинальное передаточное число
11 – вариант сборки
К – конический конец тихоходного вала
У – климатическое исполнение
2 – категория размещения
Чертежи
Технические характеристики

Чертежи

Габаритные и присоединительные размеры



Варианты сборки редуктора

Технические характеристики

Технические характеристики