Редуктор 1Ц2Н-400

Цилиндрический редуктор 1Ц2У-400Н оснащается двумя зубчатыми ступенями с косозубым зацеплением Новикова. Благодаря своим конструктивным особенностям привод способен воспринимать значительные нагрузки различного характера (постоянные и переменные, однонаправленные и реверсивные).
Корпус редуктора выполнен из чугуна. Типоразмер выпускается в девяти основных вариантах сборки. При передаточных отношениях от 8 до 16 редуктор 1Ц2У-400Н требует струйной смазки.

Варианты климатического исполнения:
У - для работы в условиях умеренного климата.
Т - для работы в районах с сухим или влажным тропическим климатом.

КПД, не менее: 0,98
Объем заливаемого масла, л: 60
Масса, кг: 940


Редуктор 1Ц2У-400Н-10-21 Ц У1
1Ц2У – цилиндрический двухступенчатый редуктор
400 – межосевое расстояние тихоходной ступени, мм
10 – номинальное передаточное число
21 – вариант сборки
Ц – цилиндрический конец тихоходного вала
У – климатическое исполнение
1 – категория размещения
Чертежи
Технические характеристики

Чертежи

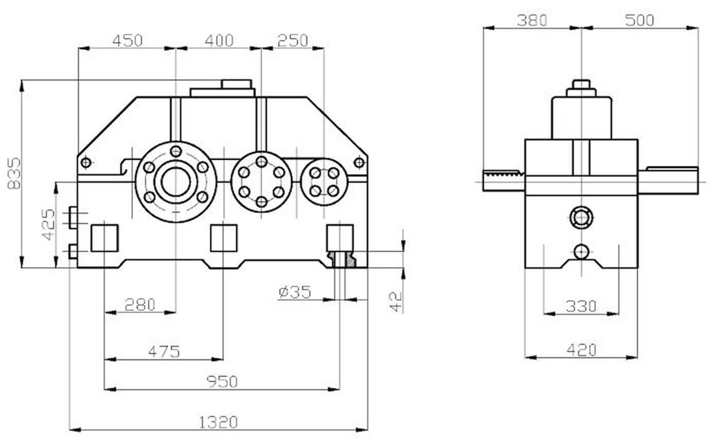
Габаритные и присоединительные размеры

Вариант сборки

Технические характеристики

Технические характеристики


Допускаемые крутящие моменты на тихоходном валу, Н м
Л - лёгкий (ПВ = 15%)
С - средний (ПВ = 25%)
Т - тяжёлый (ПВ = 40%)
Н - непрерывный (ПВ = 100%)