Главная
Каталог
Редукторы
Мотор-редукторы
Электродвигатели
О нас
Контакты
Костанай, Фабричная 4А, офис 5
+7 747 111 11 11
Telegram
VK
Skype
Phone
WhatsApp
Назад
Редуктор РМ-1000
тг.
тг.
Запросить цену
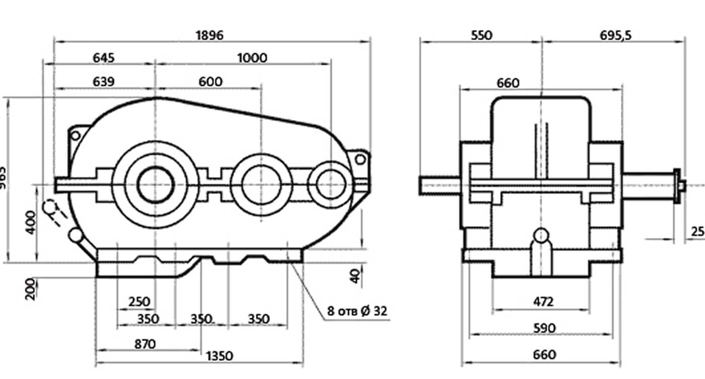
Редуктор цилиндрический двухступенчатый РМ-1000
Чертежи
Технические характеристики
Чертежи
Габаритные и присоединительные размеры
Вариант сборки
Технические характеристики
Технические характеристики
РБmax – максимально допустимая консольная нагрузка на входном валу, кН PTmax – максимально допустимая консольная нагрузка на выходном валу, кН PMmax – максимально допустимая консольная нагрузка на выходном валу в виде части зубчатой муфты, кН
Left
Right
Оформить заявку
Ваше Имя
Ваш телефон
Отправить заявку
Мы не передаем данные третьим лицам.