Редуктор 1Ц2У-355Н

Цилиндрический двухступенчатый редуктор 1Ц2У-355Н предназначен для передачи крутящего момента с одновременным уменьшением угловых скоростей. Привод обеспечивает передаточные числа 8-50, производится из чугуна в 9 вариантах сборки.

Максимальный крутящий момент на тихоходном валу достигает 14 000 Н*м. Агрегат 1Ц2У-355Н рассчитан на различные режимы работы: в течение длительного времени (до 24 ч/сут) без остановок, с периодическими остановками, с постоянной и переменной нагрузкой.

КПД, не менее: 0,98
Объем заливаемого масла, л: 35
Масса, кг: 700


Редуктор 1Ц2У-355Н-31,5-33 Ц Т3
1Ц2У – цилиндрический двухступенчатый редуктор
355 – межосевое расстояние тихоходной ступени, мм
31,5 – номинальное передаточное число
33 – вариант сборки
Ц – цилиндрический конец тихоходного вала
Т – климатическое исполнение
3 – категория размещения
Чертежи
Технические характеристики

Чертежи

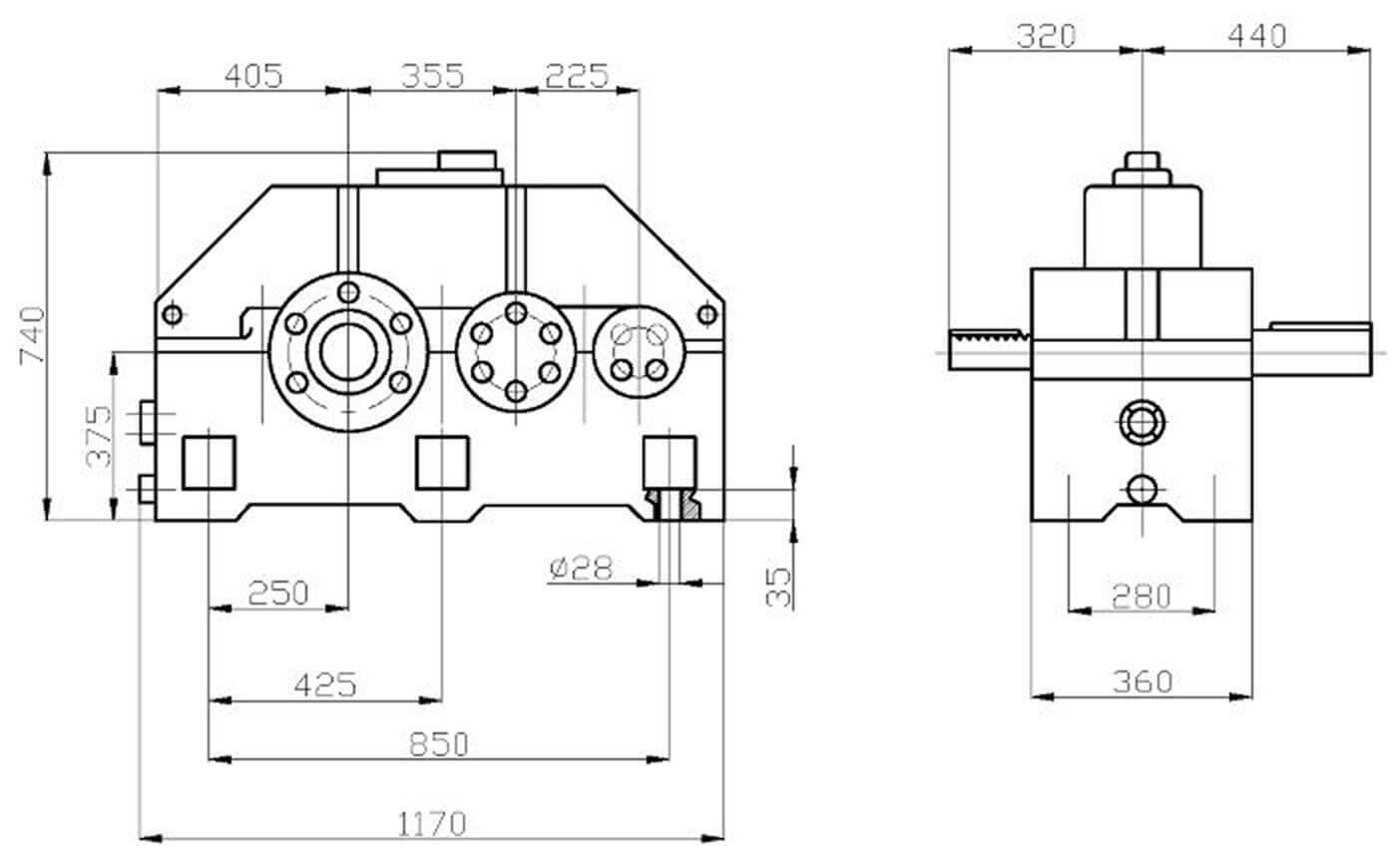
Габаритные и присоединительные размеры

Вариант сборки

Технические характеристики

Технические характеристики


Допускаемые крутящие моменты на тихоходном валу, Н • м
С - средний (ПВ = 25%)
Т - тяжёлый (ПВ = 40%)