Редуктор 1Ц2У-250 (Ц2У-250)

Двухступенчатый цилиндрический редуктор 1Ц2У-250 (Ц2У-250) с параллельным расположением валов используется для повышения крутящего момента и снижения скорости вращения. Две ступени с зубчатыми передачами обеспечивают передаточное отношение от 8 до 40. Номинальный крутящий момент на тихоходном валу достигает 5000 Н*м, радиальная нагрузка — 18000 Н.
Редуктор 1Ц2У-250 доступен в 12-ти вариантах сборки с различным исполнением валов. Краска на полимерной основе защищает чугунный корпус от вредного воздействия окружающей среды.

Редуктор 1Ц2У-250-22-33К У2 ТУ2-056-243-86
1Ц2У - редуктор цилиндрический двухступенчатый
250 - межосевое расстояние, мм
22 - номинальное передаточное число
33 - вариант сборки
К - конический конец тихоходного вала
У - климатическое исполнение
2 - категория размещения
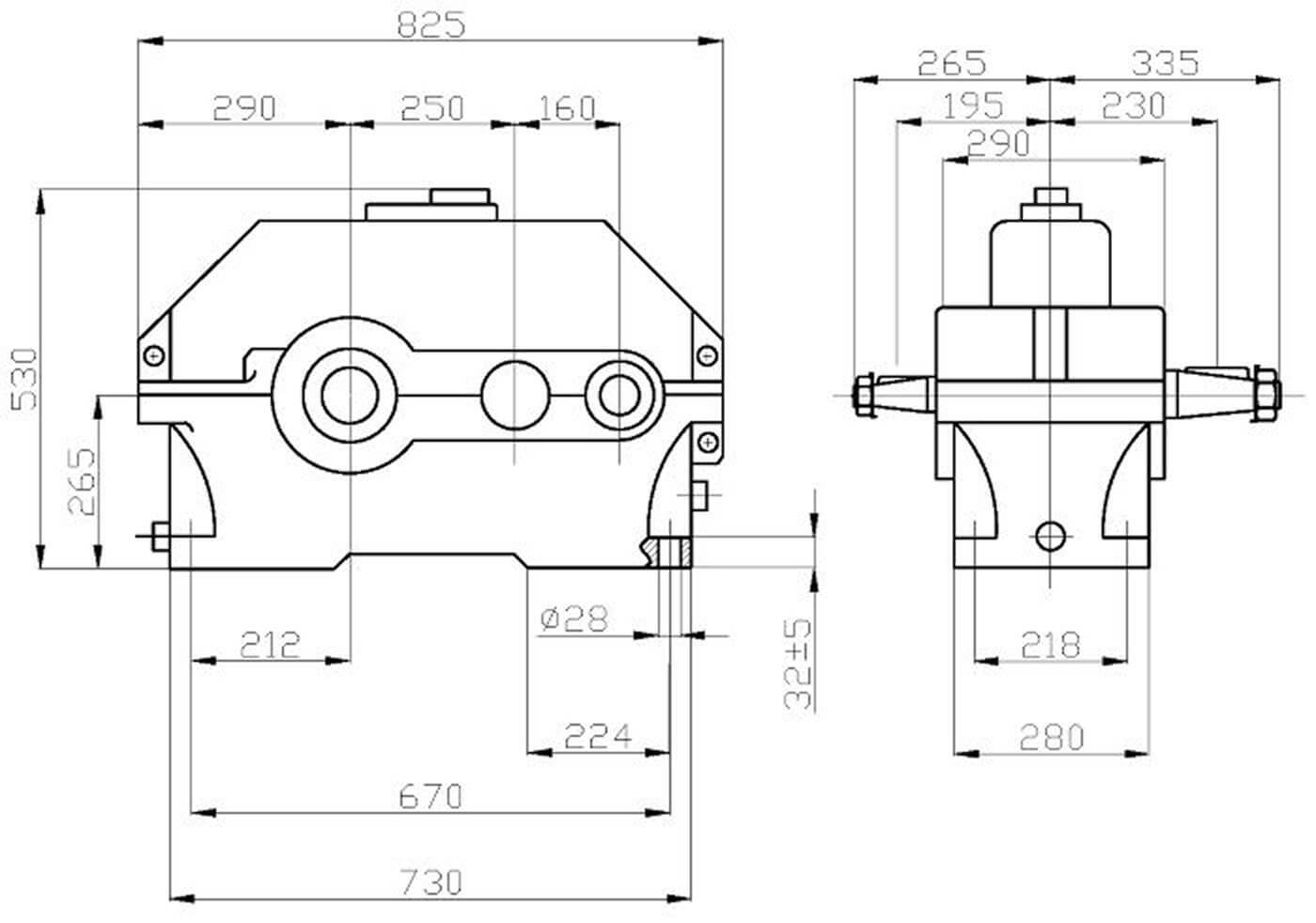
Чертежи
Технические характеристики

Чертежи

Габаритные и присоединительные размеры

Варианты сборки редуктора

Технические характеристики

Технические характеристики