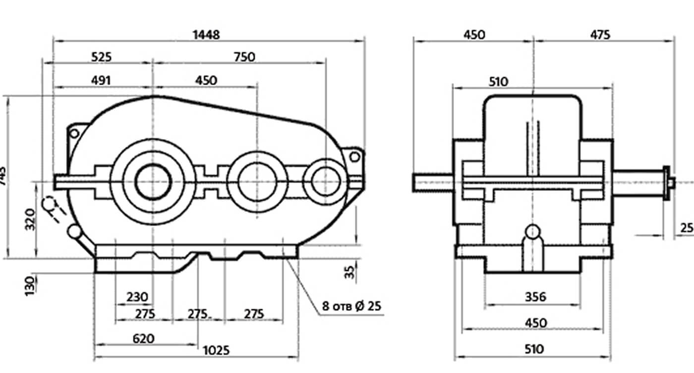
Редуктор РМ-750

Горизонтальный цилиндрический редуктор РМ-750 рассчитан на работу с постоянной и переменной нагрузкой. Этот мощный двухступенчатый привод обеспечивает крутящий момент до 95 000 Н*м. Редуктор предназначен для эксплуатации в неагрессивной среде с высоким уровнем запыленности. Конец входного вала имеет коническую форму, выходного - цилиндрическую. Также выходной вал может быть выполнен в виде зубчатой полумуфты. Масса редуктора РМ-750 - 1030 кг.

РМ-750 - 20 - 31 - У1
РМ - серия редуктора
750 - межосевое расстояние, мм
20 - передаточное число
31 - вариант сборки
У - климатическое исполнение
1 - категория размещения
Чертежи
Технические характеристики

Чертежи

Габаритные и присоединительные размеры

Вариант сборки

Технические характеристики

Технические характеристики




РБmax – максимально допустимая консольная нагрузка на входном валу, кН PTmax – максимально допустимая консольная нагрузка на выходном валу, кН PMmax – максимально допустимая консольная нагрузка на выходном валу в виде части зубчатой муфты, кН