Редуктор 1ЦУ-160

Узкий одноступенчатый редуктор с зубчатой передачей и межосевым расстоянием 160 мм. Привод 1ЦУ-160 работает на передаточных числах в диапазоне от 2 до 6,3. Агрегат поставляется в 9 вариантах сборки с различным расположением входного и выходного валов. Монтажное исполнение — на лапах.

Цилиндрический редуктор 1ЦУ-160 можно сопрягать с двигателем произвольной мощности без использования дополнительного охлаждения.

Редуктор 1ЦУ-160-3,15-11K Т1
1ЦУ - цилиндрический одноступенчатый редуктор
160 - межосевое расстояние, мм
3,15 - номинальное передаточное число
11 - вариант сборки
К - коническое кольцо тихоходного вала
Т - климатическое исполнение
1 - категория размещения
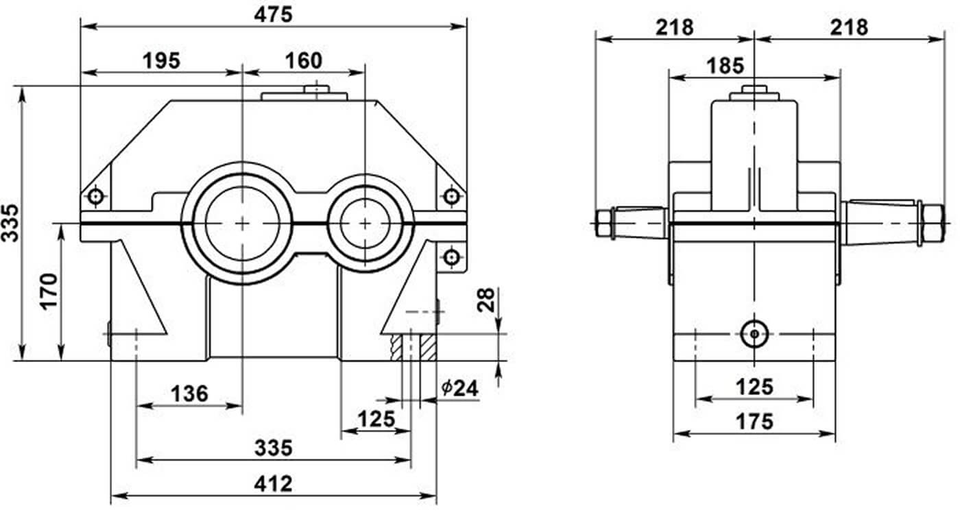
Чертежи
Технические характеристики

Чертежи

Габаритные и присоединительные размеры

Вариант сборки

Технические характеристики

Технические характеристики