Редуктор Ч-160

Червячный редуктор Ч-160 — надежный, неприхотливый привод общемашиностроительного назначения. Производится в литом чугунном корпусе, может использоваться в сложных климатических условиях (исполнение Т). Разброс передаточных чисел — от 8 до 80.

Пример условного обозначения редуктора в заказе
Редуктор Ч-160-42-56-У3-В

Ч — тип редуктора;
160 — межосевое расстояние, мм;
42 — номинальное передаточное число;
56 — вариант сборки;
У3 — климатическое исполнение;
  • В — наличие вентилятора (для режима работы — 1).
Чертежи
Технические характеристики

Чертежи

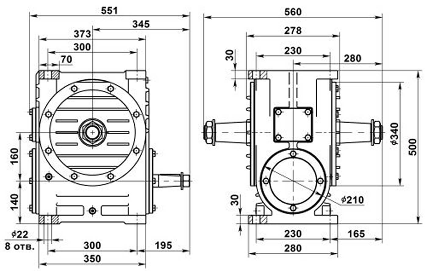
Габаритные и присоединительные размеры


Варианты сборки редуктора

Технические характеристики




U ном; U фак.- значения номинального и фактического передаточных чисел;
1500 мин-1; 1000 мин-1; 750 мин-1 - частота вращения вала;
Мт – максимально допустимый крутящий момент, Н•м;
Рб – консольная нагрузка на середину шейки быстроходного вала, Н;
Рт – консольная нагрузка на середину шейки тихоходного вала, Н;
В скобках указана масса редуктора в алюминиевом корпусе.