Редуктор 4Ч-80

Червячный одноступенчатый редуктор 4Ч-80 российского производства используется для комплектации приводов промышленных машин и механизмов. Его назначение - преобразование крутящего момента и снижение оборотов вращения выходного вала.

Данные агрегаты с межосевым расстоянием 80 мм имеют увеличенный срок службы, благодаря чему их можно эксплуатировать продолжительное время в самых тяжелых условиях. Оборудование способно работать с постоянной и переменной нагрузкой в непрерывном режиме (до 24 ч/сут). Допускаемый крутящий момент на выходном валу составляет от 175 до 280 Н*м. Номинальное передаточное отношение варьируется от 8 до 80.

Редукторы типоразмера 4Ч-80 выпускаются в четырех вариантах компоновки, которые различаются позиционированием червячной пары в пространстве.
Чертежи
Технические характеристики

Чертежи

Базовые условия использования редукторов:

Тип нагрузки: постоянная/переменная, одного направления/реверсивная;
Режимы использования редуктора: с остановками/длительная работа до 24 ч. в сутки;
Вал вращается в оба направления с частотой < 1500 об/мин.;
Атмосфера I/II (ГОСТ 15150—93), запыленность окружающего воздуха <10мг/м.куб, климатическое исполнение: У, Т для категорий 1-3, а также климат. исполнение УХЛ /О - категории 4 (ГОСТ 15150—93).

РИС 1.
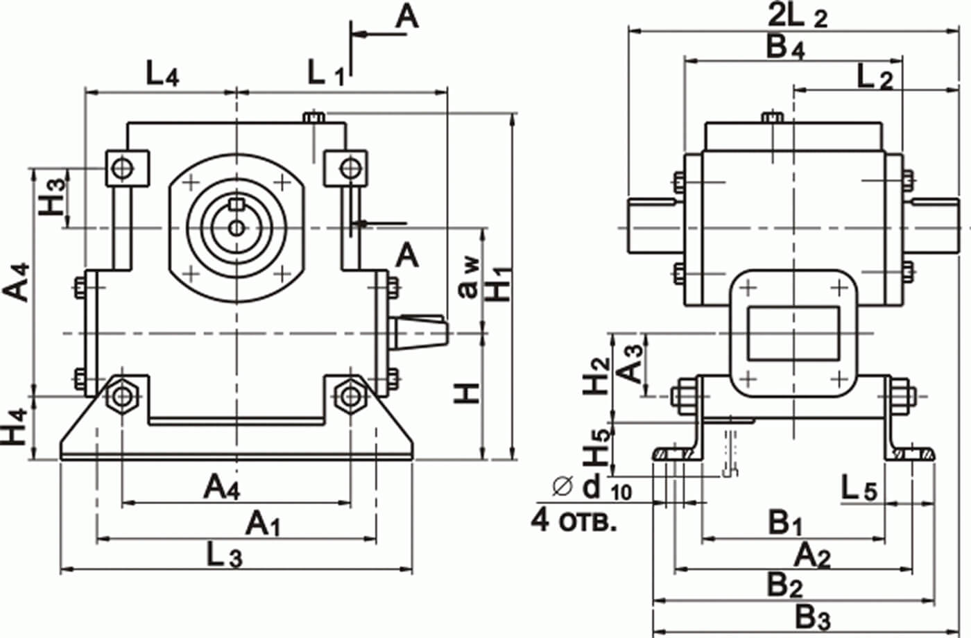
Габаритные и присоединительные размеры



РИС 2.
Входной/выходной вал



ТАБЛ 1. Габаритные и присоединительные размеры




РИС 3.
Варианты сборки редукторов



РИС 4. Варианты расположения червячной пары


РИС 5. Варианты расположения лап по плоскости

Технические характеристики

Базовые условия использования редукторов:

Тип нагрузки: постоянная/переменная, одного направления/реверсивная;
Режимы использования редуктора: с остановками/длительная работа до 24 ч. в сутки;
Вал вращается в оба направления с частотой < 1500 об/мин.;
Атмосфера I/II (ГОСТ 15150—93), запыленность окружающего воздуха <10мг/м.куб, климатическое исполнение: У, Т для категорий 1-3, а также климат. исполнение УХЛ /О - категории 4 (ГОСТ 15150—93).


ПРИМЕР УСЛОВНОГО ОБОЗНАЧЕНИЯ ПРИ ЗАКАЗЕ
Редуктор 4Ч-80А-31, 5-51-1110 У2 ТУ У3.26-00224828-338-96, где:4 - порядковый номер модернизации конструкции редуктора;
  • Ч - тип редуктора - червячный одноступенчатый;
  • 80 - межосевое расстояние, мм;
  • А - отличительный индекс;
  • 31,5 - передаточное число;
  • 51- вариант сборки по ГОСТ 26373-94;
  • 1110 — конструктивное исполнение по способу монтажа по ГОСТу 30164-94;
  • У2 - климатическое исполнение и категория по ГОСТ 15150.