Редуктор 1Ц2У-315Н

Редуктор 1Ц2У-315Н (Ц2У-315Н) - двухступенчатый узкий цилиндрический привод с горизонтальным расположением валов. В редукторе используется зубчатая передача с зацеплением Новикова. Выпукло-вогнутый профиль зубьев шестерни и колеса, а также небольшая высота зубьев обеспечивают агрегату большую нагрузочную способность и износостойкость. КПД редуктора 1Ц2У-315Н — 98%, диапазон передаточных отношений — 8-50, термическая мощность — 80 кВт.

Концы входного и выходного валов агрегата могут иметь цилиндрическое либо коническое исполнение. Доступно 15 вариантов сборки с разным расположением валов.

КПД, не менее: 0,98
Объем заливаемого масла, л: 30
Масса, кг: 520


Редуктор 1Ц2У-315Н-25-12 Ц У2
1Ц2У – цилиндрический двухступенчатый редуктор
315 – межосевое расстояние тихоходной ступени, мм
25 – номинальное передаточное число
12 – вариант сборки
Ц – цилиндрический конец тихоходного вала
У – климатическое исполнение
2 – категория размещения
Чертежи
Технические характеристики

Чертежи

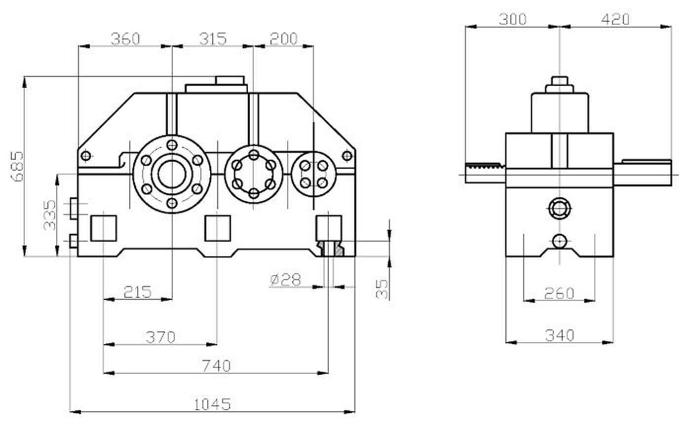
Габаритные и присоединительные размеры

Вариант сборки

Технические характеристики

Технические характеристики


Допускаемые крутящие моменты на тихоходном валу, Н • м
С - средний (ПВ = 25%)
Т - тяжёлый (ПВ = 40%)