Редуктор РМ

Цилиндрические редукторы РМ широко используются в промышленных машинах и механизмах. Агрегат преобразует крутящий момент с помощью двух зубчатых ступеней. Входной и выходной валы расположены горизонтально, параллельно. Концы валов редуктора сопрягаются с валами электродвигателя и исполнительного механизма посредством муфт.

Краткие характеристики
В серии РМ представлено 8 типоразмеров с межосевым расстоянием от 250 до 1000 мм. Передаточные отношения: 8-50. Крутящий момент: 350-9500 Нм. Характер нагрузки: переменная/постоянная, однонаправленная/реверсивная. Допускаются кратковременные перегрузки, в 2 раза превышающие номинальную нагрузку. КПД редуктора — 97-98%.

Исполнение
Корпус агрегата РМ покрыт защитной полимерной краской, места соединения деталей обработаны герметиком. Редуктор рассчитан на тяжелые условия эксплуатации с высоким уровнем запыленности. Варианты климатического исполнения: У и Т категорий размещения 1-3, УХЛ и О категории 4.
Редукторы РМ постепенно вытесняются более современными аналогами.
Чертежи
Технические характеристики

Чертежи

РИС 1. Габаритные и присоединительные размеры. РМ-250, РМ-350, РМ-400, РМ-500

РИС2. Габаритные и присоединительные размеры. РМ-650, РМ-750, РМ-850, РМ-1000

РИС3. Размеры концов входных валов

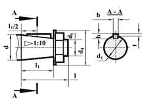
РИС 4. Размеры концов выходных валов

РИС 5. Варианты сборки редукторов

Технические характеристики

Технические характеристики

ТАБЛ 1.
Габаритные и присоединительные размеры. РМ-250, РМ-350, РМ-400, РМ-500



ТАБЛ 2. Габаритные и присоединительные размеры. РМ-650, РМ-750, РМ-850, РМ-1000


ТАБЛ 3. Размеры концов входных валов

ТАБЛ 4. Размеры концов выходных валов