Редуктор 1Ц2У-160

Горизонтальный цилиндрический редуктор 1Ц2У-160 (Ц2У-160) общепромышленного назначения с двумя передаточными ступенями. Номинальный крутящий момент редуктора равен 1250 Н*м. Передаточное отношение: 8 — 40.
Номинальная радиальная нагрузка на входном валу — 1250 Н, на выходном — 9000 Н. Валы расположены параллельно, горизонтально. Варианты исполнения концов валов: цилиндрический, конический, муфтовый, полый.
Корпус редуктора 1Ц2У-160 изготовлен из чугуна или алюминиевого сплава и покрыт защитной полимерной краской.

Редуктор 1Ц2У-160-20-12К У2 ТУ2-056-243-86
1Ц2У - редуктор цилиндрический двухступенчатый
160 - межосевое расстояние, мм
20 - номинальное передаточное число
12 - вариант сборки
К - конический конец тихоходного вала
У - климатическое исполнение
2 - категория размещения
Чертежи
Технические характеристики

Чертежи

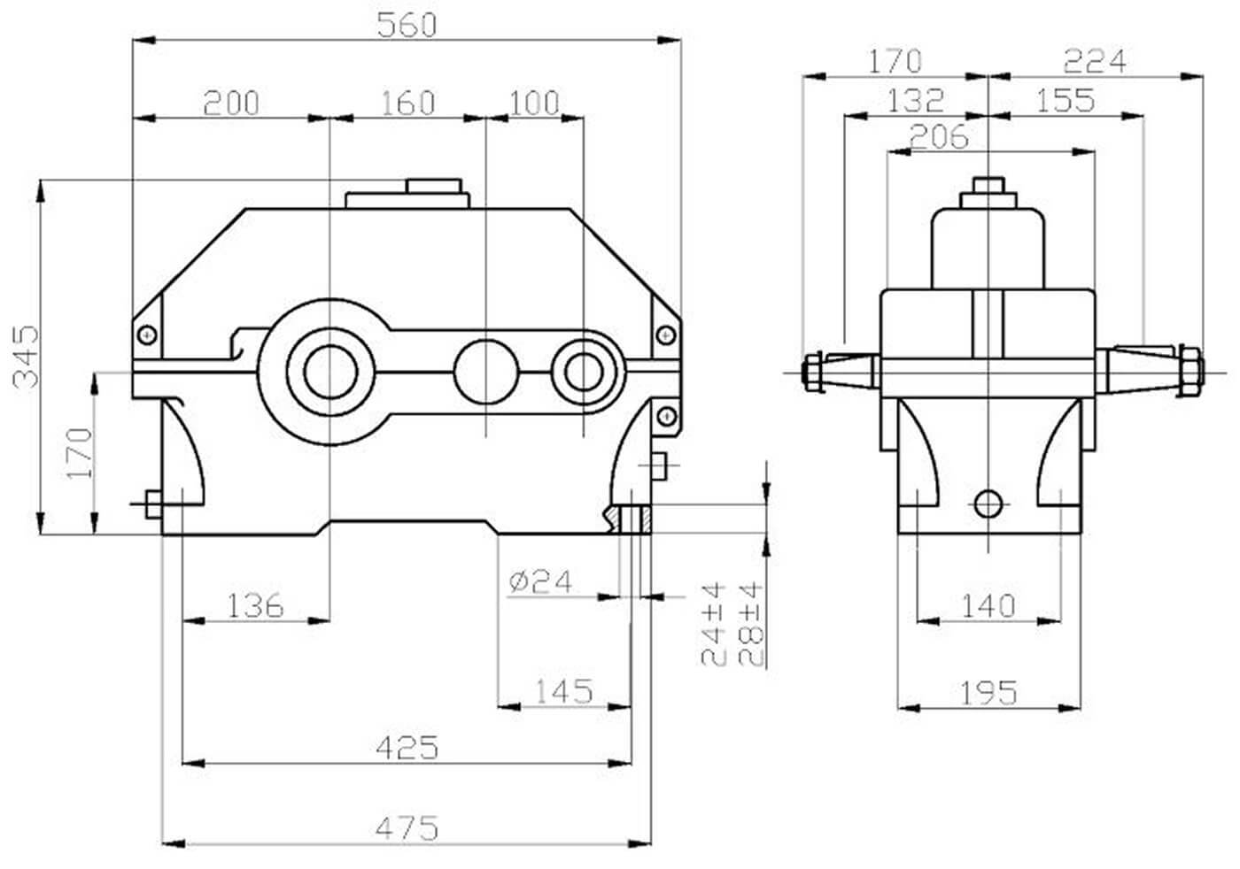
Габаритные и присоединительные размеры


Варианты сборки редуктора

Технические характеристики

Технические характеристики