Редуктор Ц3Н 710

Цилиндрические редукторы становятся более популярными. Они имеют широкое использование, как в специальной технике, так и на заводах, на специальных станках, которые в свою очередь потребляют большую мощность. Цилиндрический Редуктор Ц3Н 710 качественный и надежный. Имеет большой спрос. Состоит из шестеренок, которые размещены в стальном корпусе. Корпус защищает их от внешних воздействий. Таких как пыль, мусор и т.д. Цилиндрический редуктор востребован и поэтому используется практически везде. Поэтому приобретение его просто необходимо для крупных и серьезных компаний, которые имеют в своем подчинении специальную технику, к примеру, в виде станков.
Чертежи
Технические характеристики

Чертежи

Габаритные и присоединительные

размеры




Присоединительные размеры тихоходного вала для присоединения командоаппарата

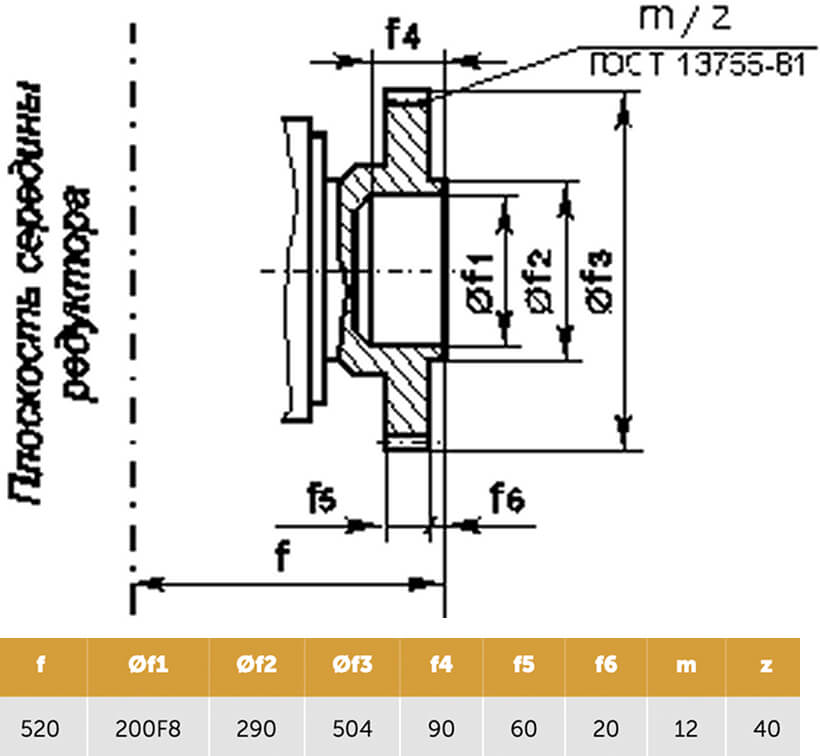
Присоединительные размеры тихоходного вала в виде части зубчатой муфты

Технические характеристики

Технические характеристики